GM Service Manual Online
For 1990-2009 cars only
Makes
🢒
Generic
🢒
2006
🢒
Unit Repair
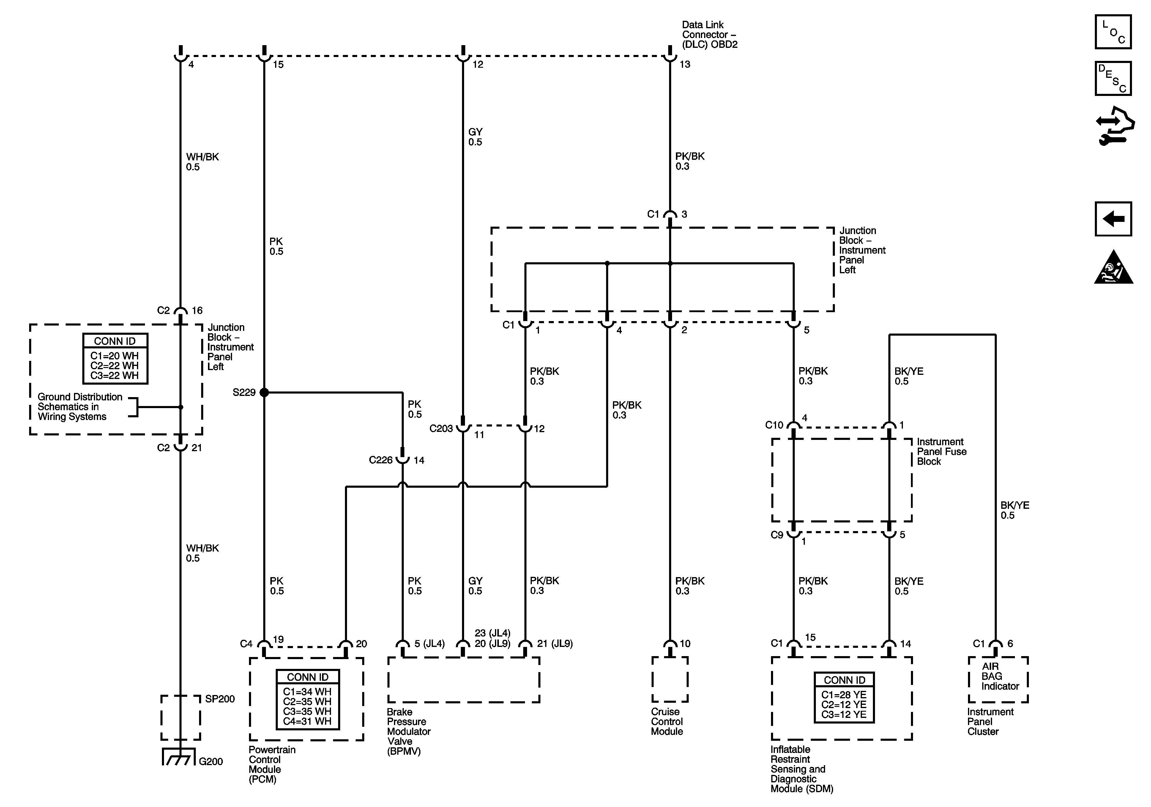
🢒 Data Link Connector - 3 of 3
Data Link Connector - 3 of 3
Data Link Connector - 3 of 3
Master Electrical Component List
Data Link Communications Description and Operation
Control Module References
Data Link Connector - 2 of 3
SIR Caution for Zoning
OBD II Symbol Description Notice
Junction Block - Instrument Panel Left
SP201 and G201