GM Service Manual Online
For 1990-2009 cars only
Makes
🢒
Generic
🢒
2006
🢒
Unit Repair
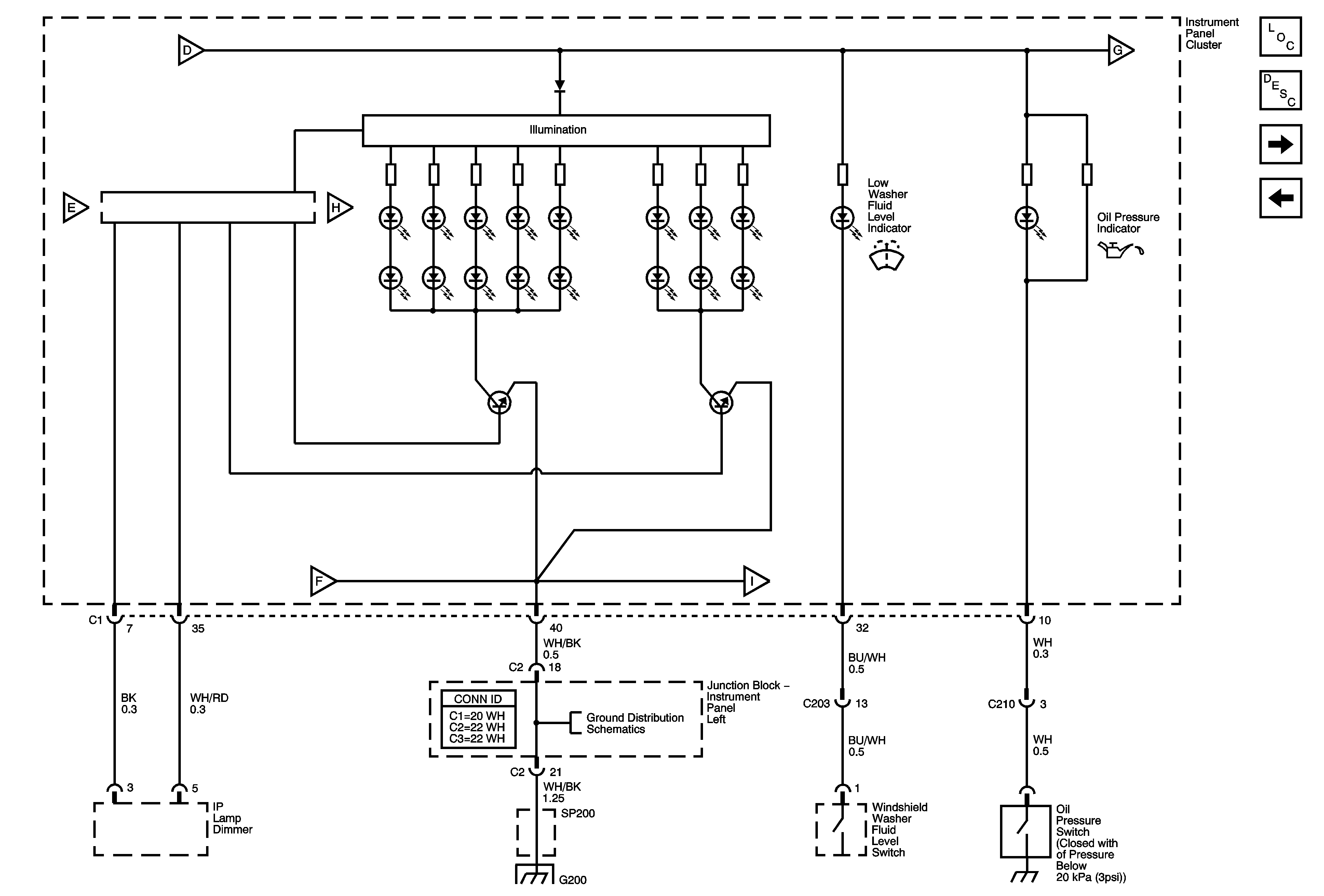
🢒 Low Washer Fluid Level, Oil Pressure Indicators, IP Illumination
Low Washer Fluid Level, Oil Pressure Indicators, IP Illumination
Low Washer Fluid Level, Oil Pressure Indicators, IPC Illumination
Master Electrical Component List
Control Module References
Charge, Air Bag, Malfunction, O/D OFF, Cruise Indicators
Fuel Gauge, Seat Belt Low Fuel Indicators, Passenger Sea Belt Warning Lamp
SIR Caution for Zoning
Ignition Switch (2 of 2)
SP201 and G201