GM Service Manual Online
For 1990-2009 cars only
Makes
🢒
Generic
🢒
2006
🢒
Unit Repair
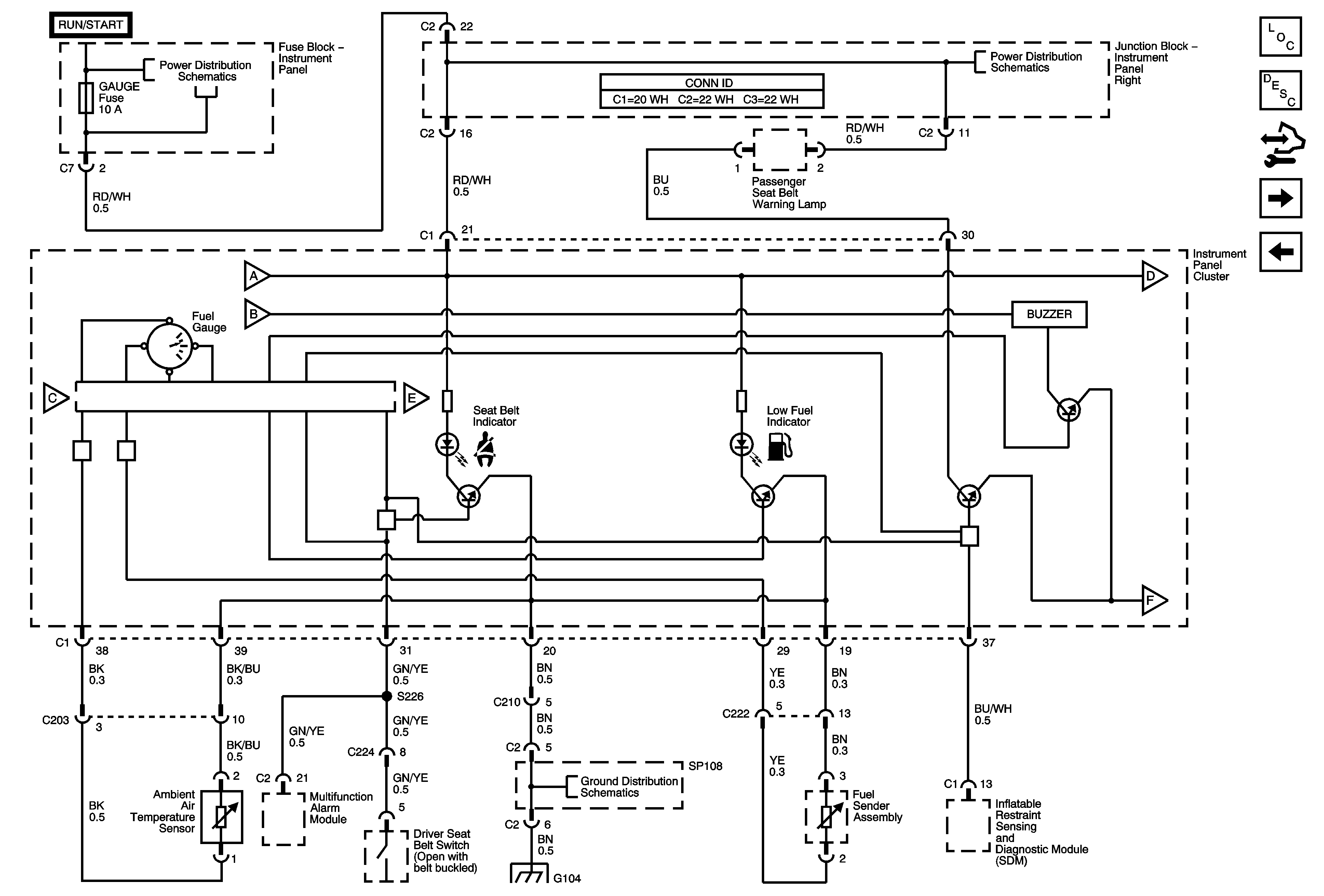
🢒 Fuel Gauge, Seat Belt Low Fuel Indicators, Passenger Sea Belt Warning Lamp
Fuel Gauge, Seat Belt Low Fuel Indicators, Passenger Sea Belt Warning Lamp
Fuel Gage, Seat Belt, Low Fuel, Passenger Seat Belt Indicators
Master Electrical Component List
Control Module References
Low Washer Fluid Level, Oil Pressure Indicators, IP Illumination
High Beam, Door Open, Fuel Indicators
SIR Caution for Zoning
Wash, RR Wip, Wiper, ECU-IG, Gauge, Heater, DEF Fuses
Junction Block - Instrument Panel Right
SP107, SP108, G104
SP107, SP108, G104