GM Service Manual Online
For 1990-2009 cars only
Makes
🢒
Generic
🢒
2006
🢒
Unit Repair
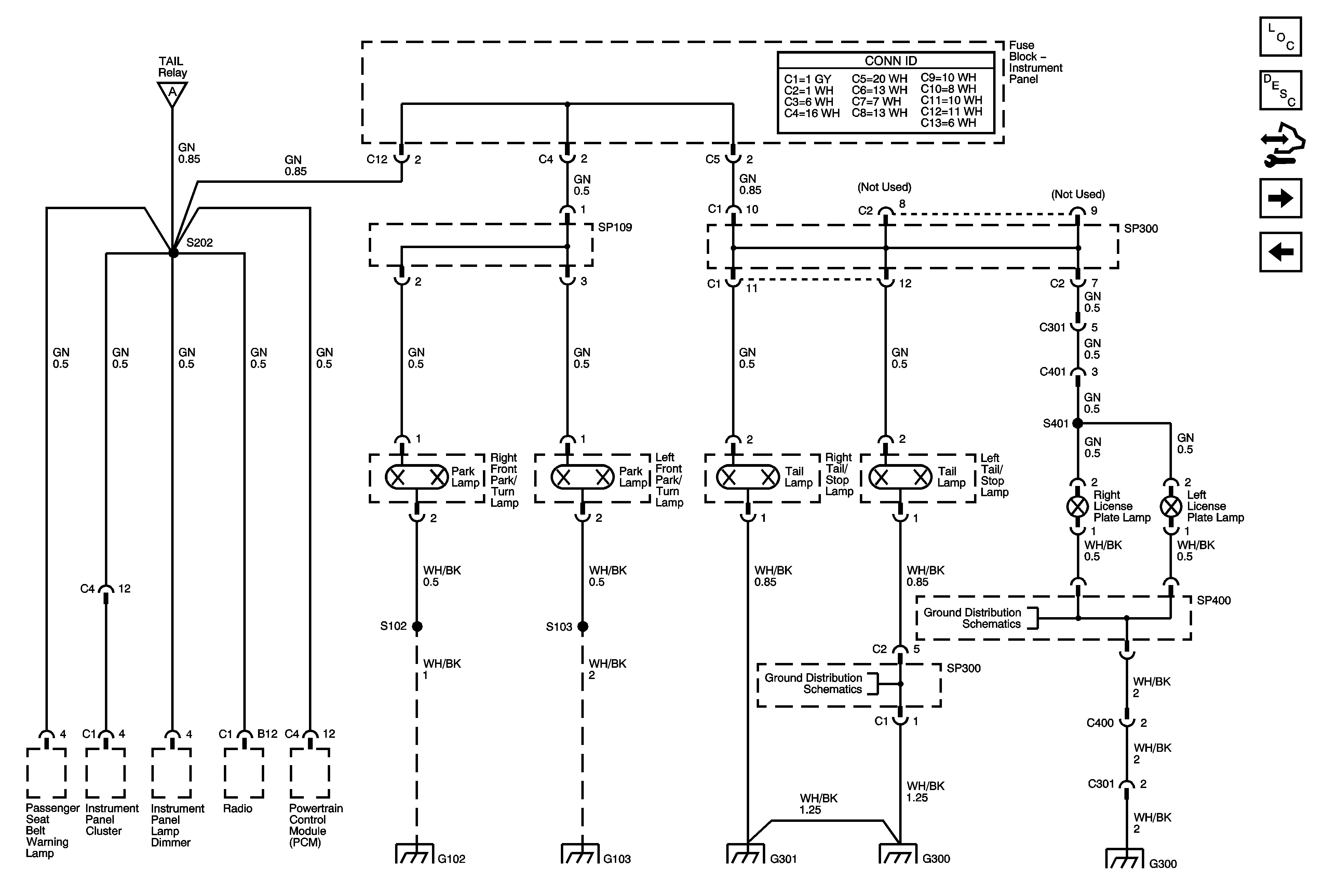
🢒 Park Lamps
Park Lamps
Park Lamps
Master Electrical Component List
Exterior Lighting Systems Description and Operation
Control Module References
Turn Signal/Headlamp Switch, Hazard switch, Flasher Relay
Tail Relay, Turn Signal/Headlamp Switch
G100, G101, G102
S103 and G103
G202, G300, G301, G302
G202, G300, G301, G302
G202, G300, G301, G302
SP300
SP400