GM Service Manual Online
For 1990-2009 cars only
Makes
🢒
Generic
🢒
2006
🢒
Unit Repair
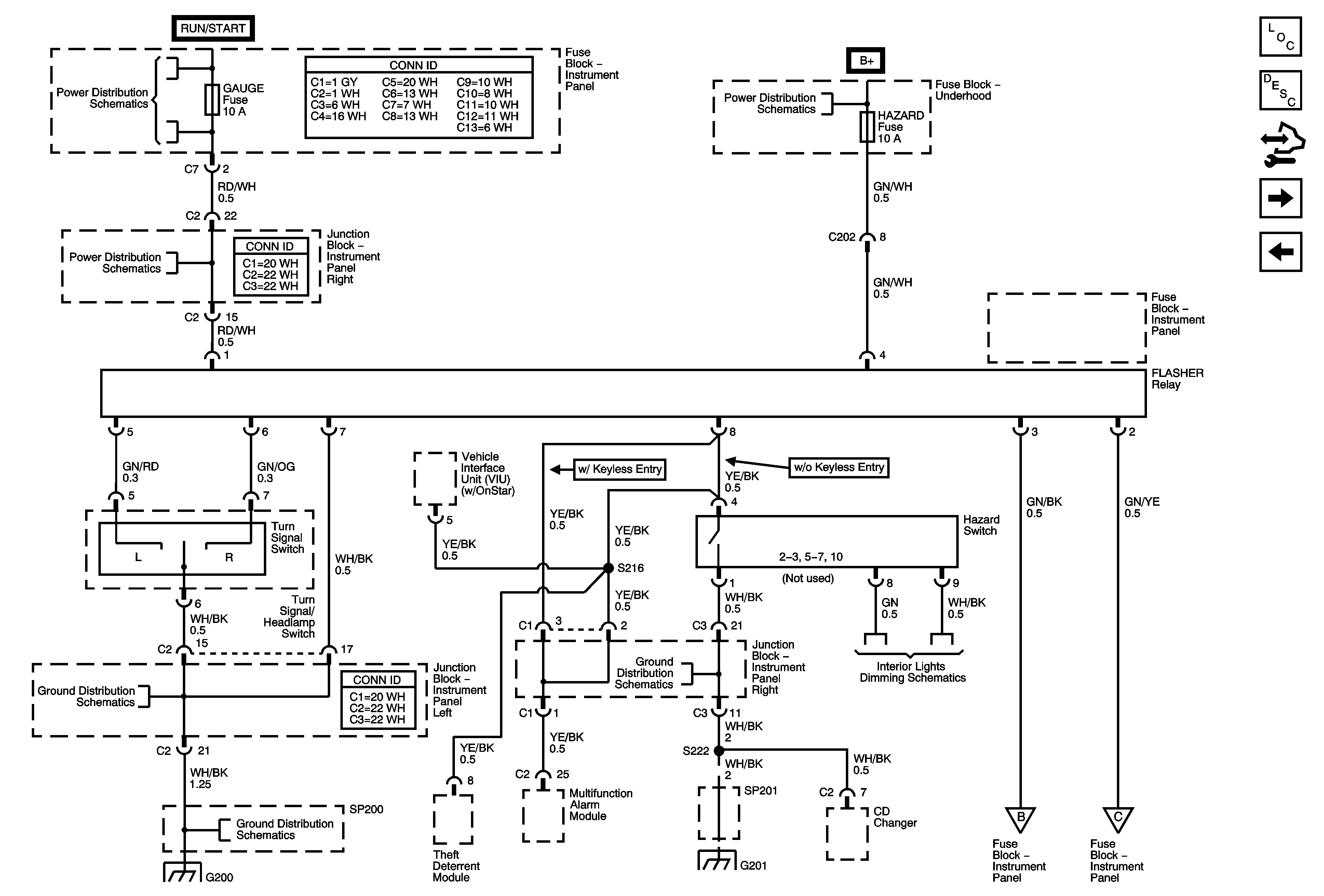
🢒 Turn Signal/Headlamp Switch, Hazard switch, Flasher Relay
Turn Signal/Headlamp Switch, Hazard switch, Flasher Relay
Turn Signal/Headlamp Switch, Hazard Switch, Flasher Relay
Master Electrical Component List
Exterior Lighting Systems Description and Operation
Control Module References
Turn Indicators and Lamps
Park Lamps
Wash, RR Wip, Wiper, ECU-IG, Gauge, Heater, DEF Fuses
Junction Block - Instrument Panel Right
Junction Block - Instrument Panel Left
SP201 and G201
Air Pump, ETCS, Head, Alt S, EFI, EFI 2, Hazard Fuses
Junction Block - Instrument Panel Right
SP201 and G201
Illumination Lamps