GM Service Manual Online
For 1990-2009 cars only
Makes
🢒
Generic
🢒
2006
🢒
Unit Repair
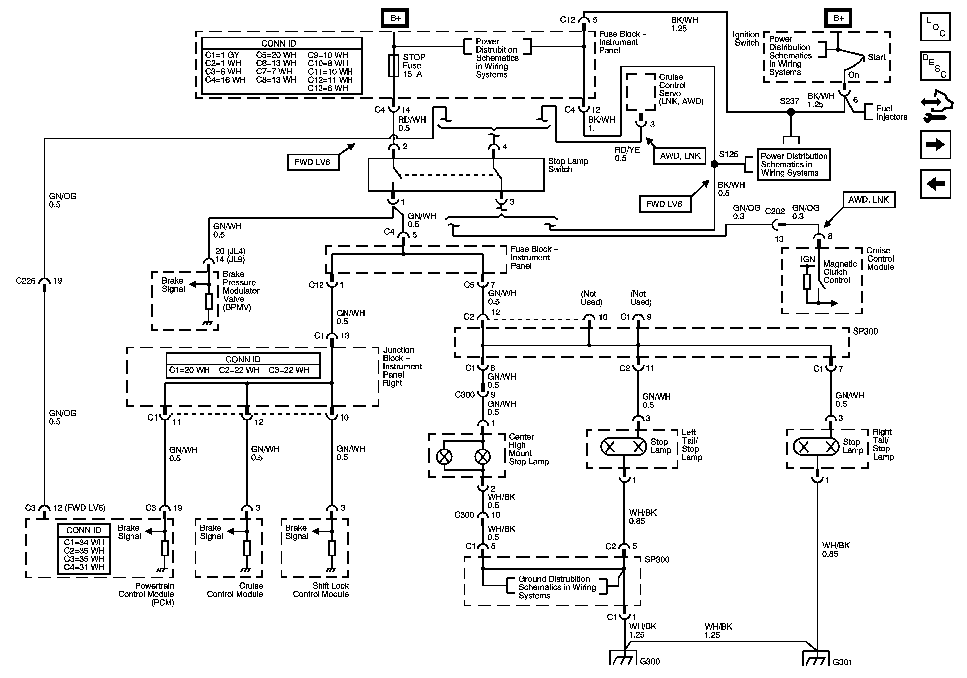
🢒 Stop Lamps
Stop Lamps
Stop Lamps
Master Electrical Component List
Exterior Lighting Systems Description and Operation
Control Module References
Back Up Lamps
Turn Indicators and Lamps
Power, AM 1, Door, Tail, P/Point, ECU-B, Stop, OBD, INV, Fuses
SP300
G202, G300, G301, G302
G202, G300, G301, G302