GM Service Manual Online
For 1990-2009 cars only
Makes
🢒
Generic
🢒
2006
🢒
Unit Repair
🢒 Turn Indicators and Lamps
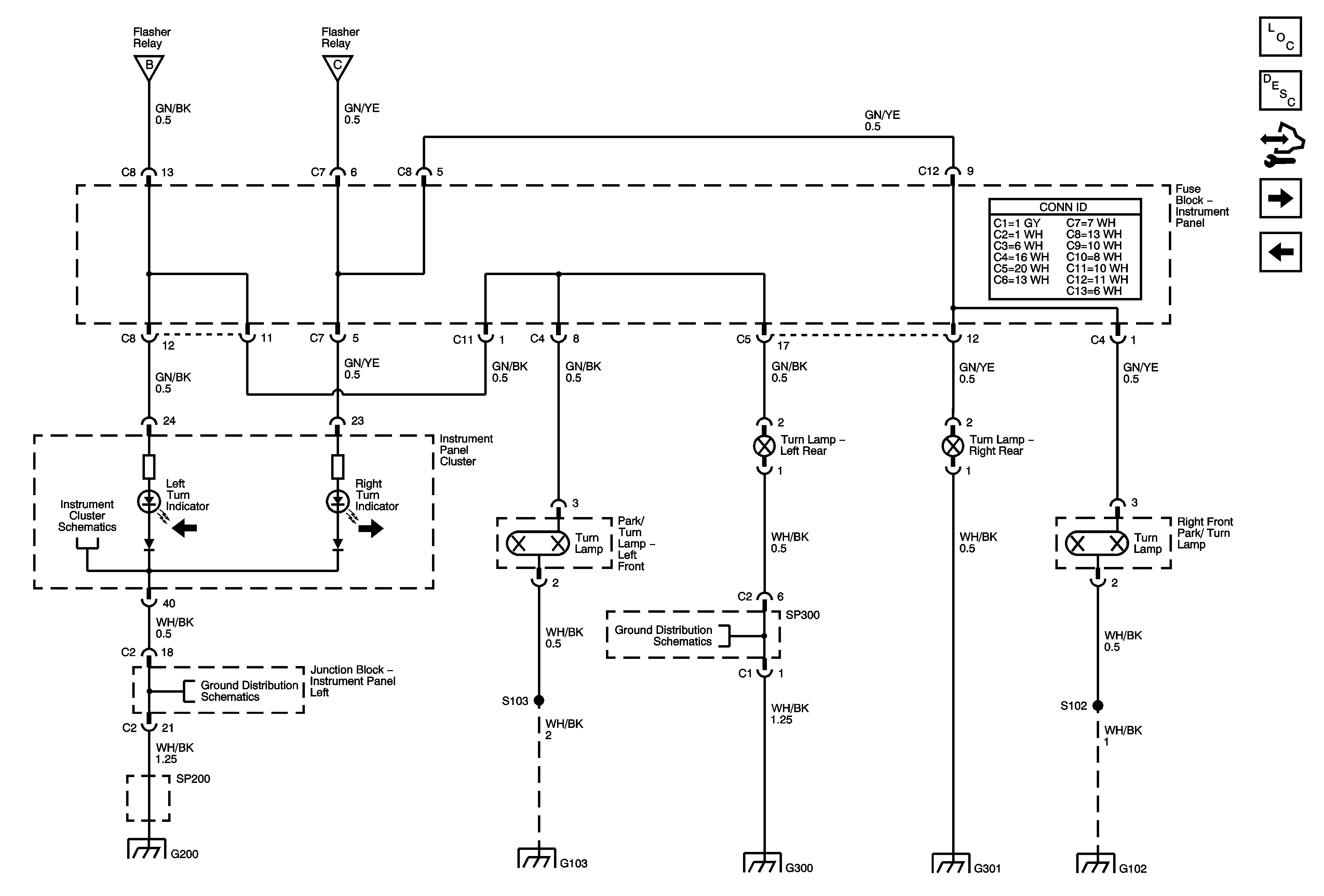
Turn Indicators and Lamps
Turn Indicators and Lamps
Master Electrical Component List
Exterior Lighting Systems Description and Operation
Control Module References
Stop Lamps
Turn Signal/Headlamp Switch, Hazard switch, Flasher Relay
Brake, ABS, Turn Indicators
Junction Block - Instrument Panel Left
SP201 and G201
S103 and G103
SP300
G202, G300, G301, G302
G202, G300, G301, G302
G100, G101, G102