GM Service Manual Online
For 1990-2009 cars only
Makes
🢒
Generic
🢒
2006
🢒
Unit Repair
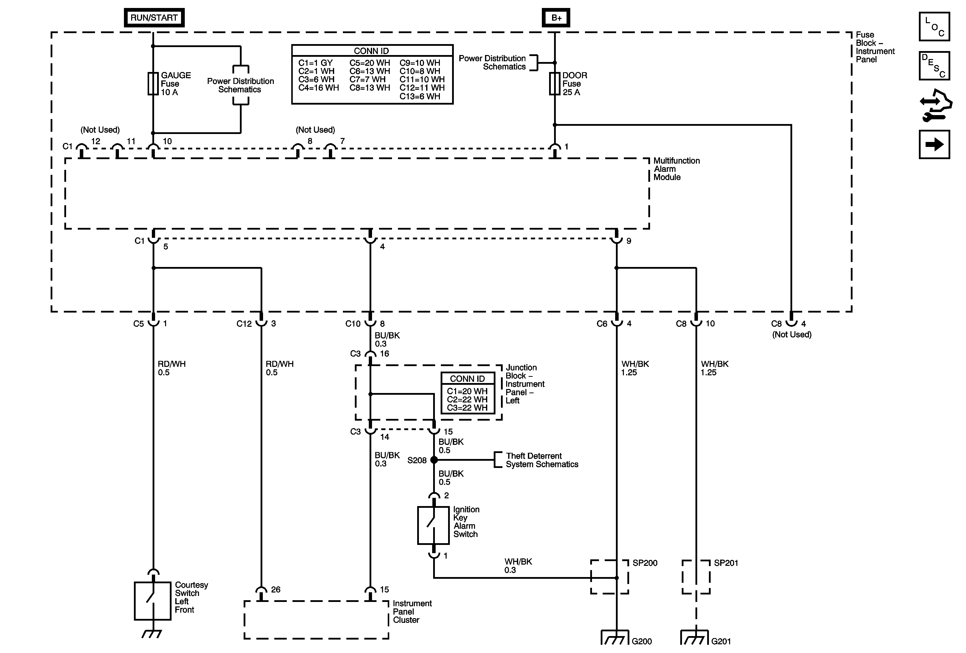
🢒 Gauge and Door Fuses, Multifunction Alarm Module
Gauge and Door Fuses, Multifunction Alarm Module
Gage and Door Fuses, Multifunction Alarm Module
Master Electrical Component List
Power Door Locks Description and Operation
Control Module References
Multifunction Alarm Module, Rear Door Lock, Glass Hatch and Tailgate Actuators
Wash, RR Wip, Wiper, ECU-IG, Gauge, Heater, DEF Fuses
Power, AM 1, Door, Tail, P/Point, ECU-B, Stop, OBD, INV, Fuses
SP201 and G201
SP201 and G201