GM Service Manual Online
For 1990-2009 cars only
Makes
🢒
Generic
🢒
2006
🢒
Unit Repair
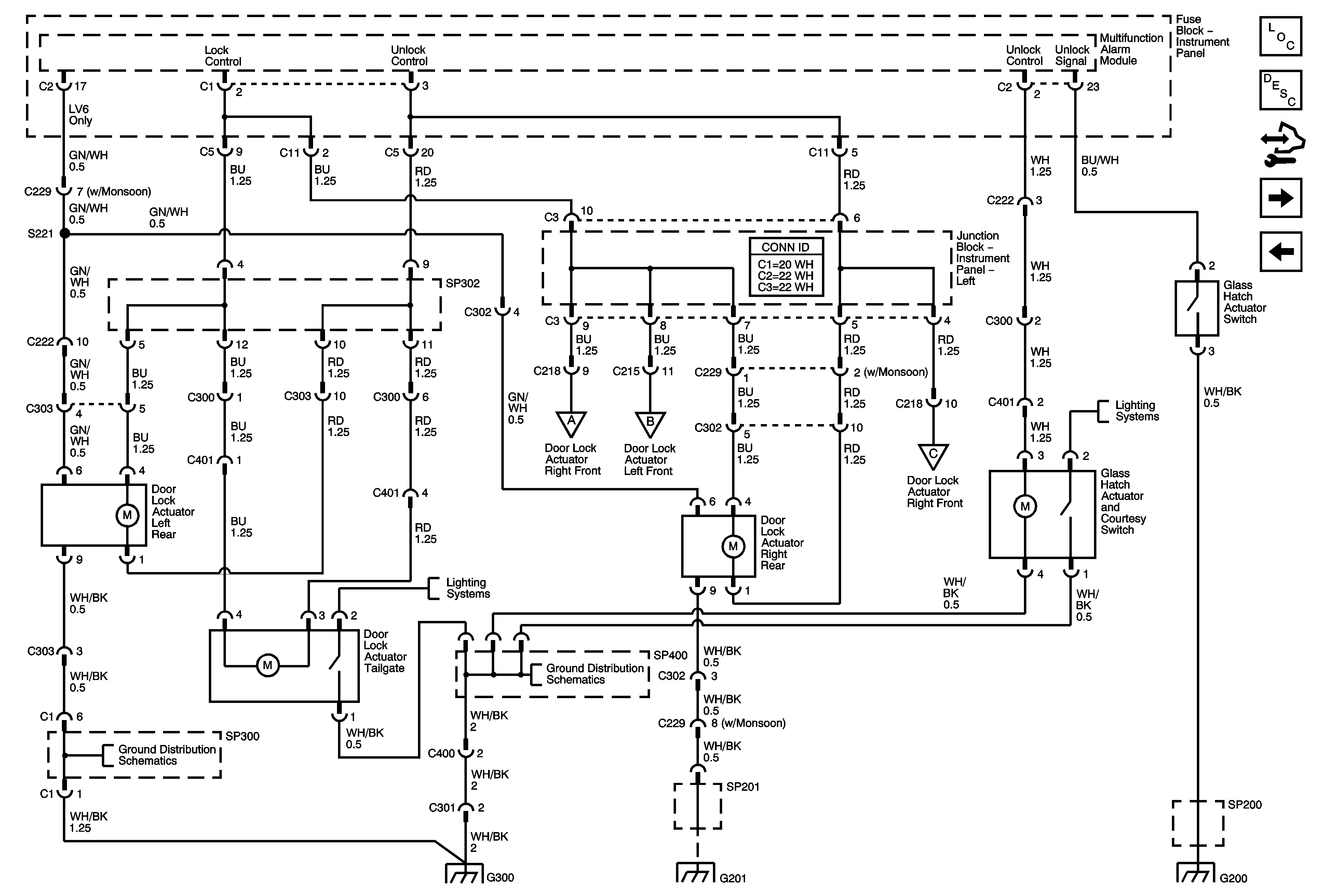
🢒 Multifunction Alarm Module,Rear Door Lock, Glass Hatch and Tailgate Actuators
Multifunction Alarm Module,Rear Door Lock, Glass Hatch and Tailgate Actuators
Multifunction Alarm Module, Rear Door Lock, Glass Hatch and Tailgate Actuators
Master Electrical Component List
Power Door Locks Description and Operation
Control Module References
Door Lock Switches, Front Door Lock Actuators
Gauge and Door Fuses, Multifunction Alarm Module
SP300
Dome/Courtesy Lamp Switches
G202, G300, G301, G302
SP201 and G201
SP400
Dome/Courtesy Lamp Switches
SP201 and G201