GM Service Manual Online
For 1990-2009 cars only
Makes
🢒
Generic
🢒
2006
🢒
Unit Repair
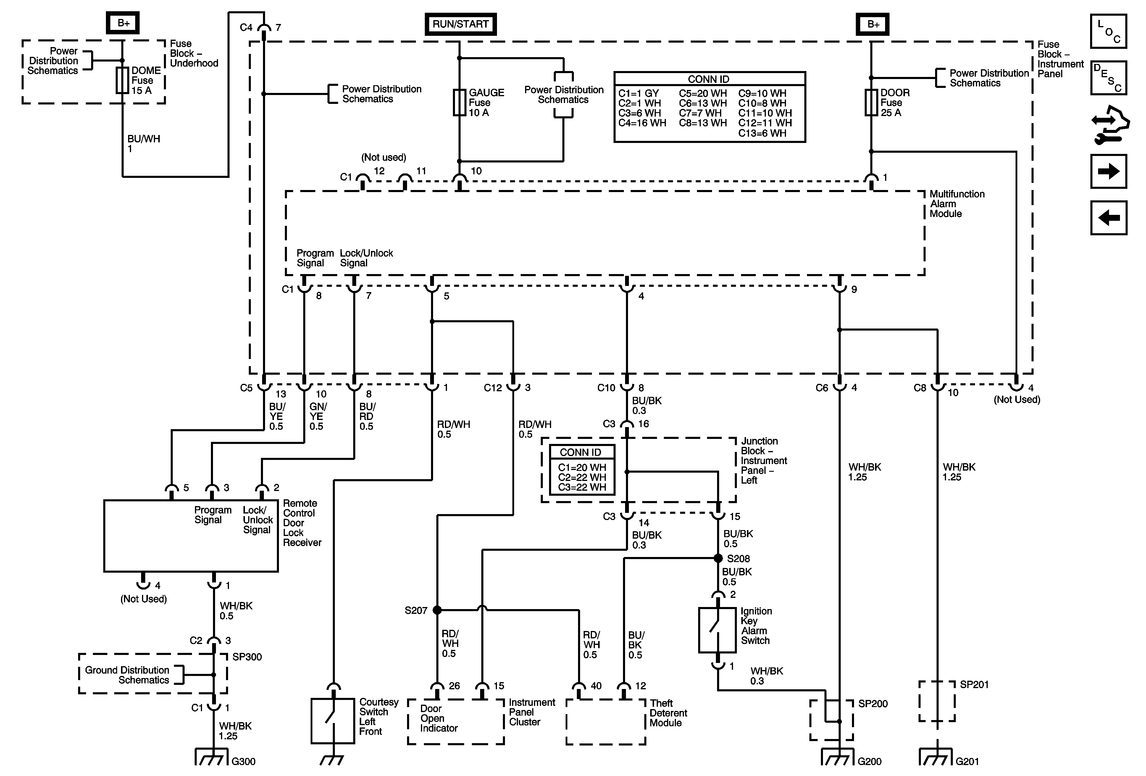
🢒 Remote Control Door Lock Receiver, Multifunction Alarm Module
Remote Control Door Lock Receiver, Multifunction Alarm Module
Remote Control Door Lock Receiver, Multifunction Alarm Module
Master Electrical Component List
Theft Systems Description and Operation
Control Module References
Multifunction Alarm Module, Rear Door Lock, Glass Hatch and Tailgate Actuators
heft Deterent Module, Glass Breakage Sensor, Security Indicator
Wash, RR Wip, Wiper, ECU-IG, Gauge, Heater, DEF Fuses
Power, AM 1, Door, Tail, P/Point, ECU-B, Stop, OBD, INV, Fuses
SP201 and G201
SP201 and G201
G202, G300, G301, G302
SP300
Horn, Dome, Main, Amp, Onstar Fuses
Horn, Dome, Main, Amp, Onstar Fuses