GM Service Manual Online
For 1990-2009 cars only
Makes
🢒
Generic
🢒
2006
🢒
Unit Repair
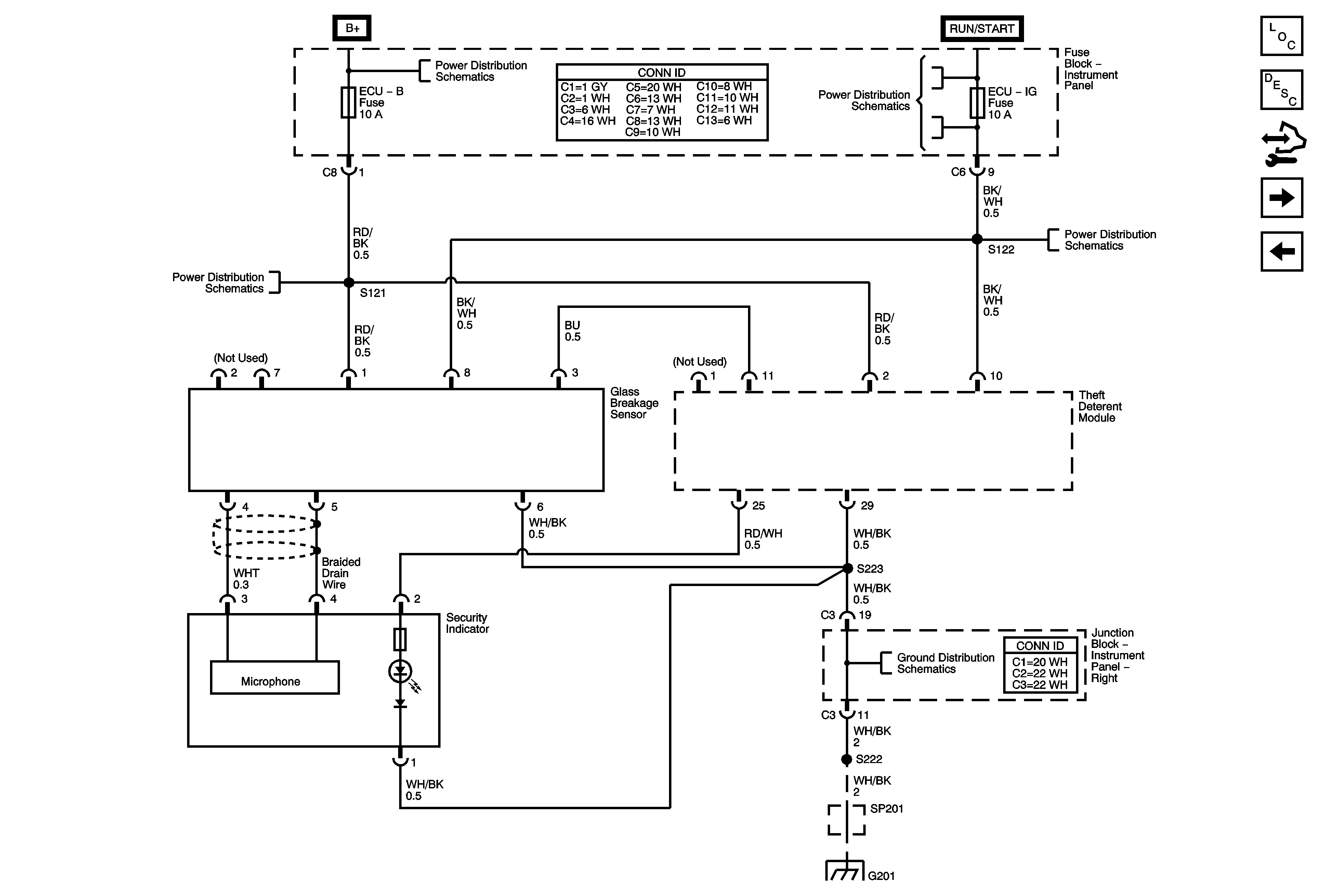
🢒 heft Deterent Module, Glass Breakage Sensor, Security Indicator
heft Deterent Module, Glass Breakage Sensor, Security Indicator
Theft Deterrent Module, Glass Breakage Sensor, Security Indicator
Master Electrical Component List
Theft Systems Description and Operation
Control Module References
Remote Control Door Lock Receiver, Multifunction Alarm Module
Start Relay, Starter Cut Relay, Theft Deterent Module, Powertrain Control Module (PCM)
Power, AM 1, Door, Tail, P/Point, ECU-B, Stop, OBD, INV, Fuses
Power, AM 1, Door, Tail, P/Point, ECU-B, Stop, OBD, INV, Fuses
Wash, RR Wip, Wiper, ECU-IG, Gauge, Heater, DEF Fuses
Wash, RR Wip, Wiper, ECU-IG, Gauge, Heater, DEF Fuses
SP201 and G201