GM Service Manual Online
For 1990-2009 cars only
Makes
🢒
Generic
🢒
2006
🢒
Unit Repair
🢒 Door Lock Switches, Front Door Lock Actuators
Door Lock Switches, Front Door Lock Actuators
Door Lock Switches, Front Door Lock Actuators
Master Electrical Component List
Theft Systems Description and Operation
Control Module References
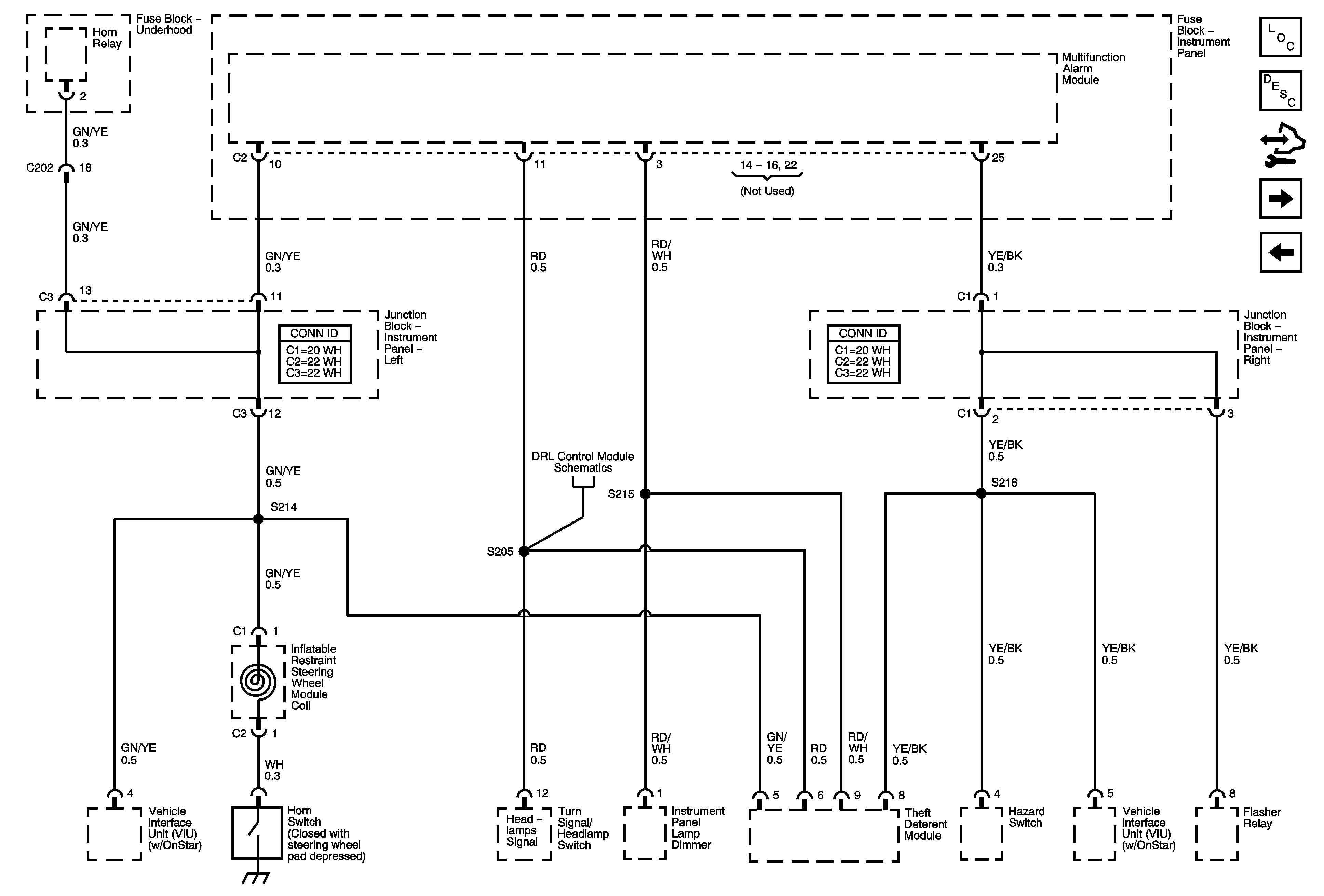
Multifunction Alarm Module, Horn, Hazard, Turn Signal/Headlamp Switches
Park/Neutral Position Switch, Brake Pressure Modulator Valve (BPMV), Multifunction Alarm Module
Turn Signal/Headlamp Switch