GM Service Manual Online
For 1990-2009 cars only
Makes
🢒
Generic
🢒
2006
🢒
Unit Repair
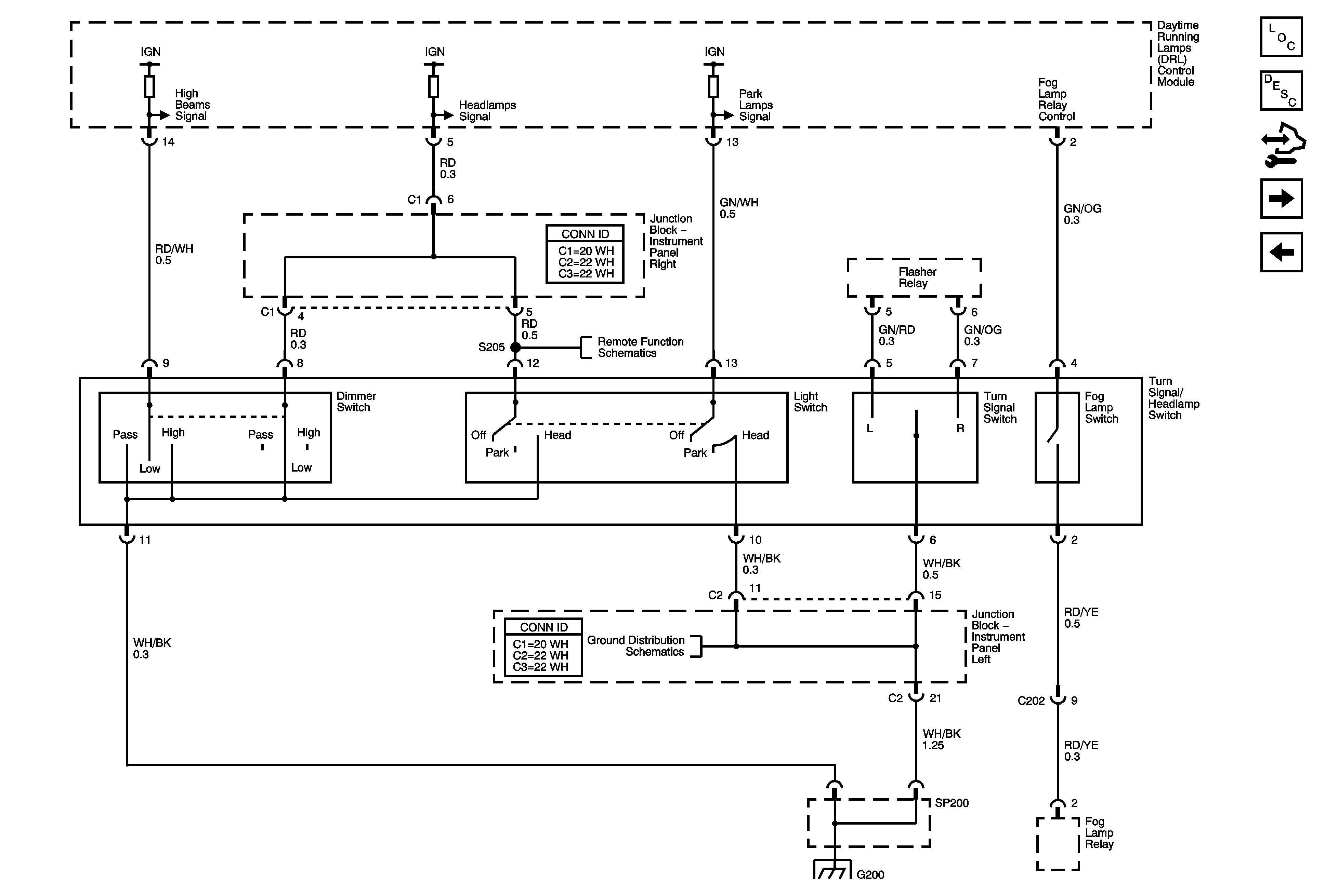
🢒 Turn Signal/Headlamp Switch
Turn Signal/Headlamp Switch
Turn Signal/Headlamp Switch
Master Electrical Component List
Exterior Lighting Systems Description and Operation
Control Module References
Headlamps
Daytime Running Lamp (DRL) Control Module Power and Ground
Multifunction Alarm Module, Horn, Hazard, Turn Signal/Headlamp Switch
Junction Block - Instrument Panel Left
SP201 and G201