GM Service Manual Online
For 1990-2009 cars only
Makes
🢒
Generic
🢒
2006
🢒
Unit Repair
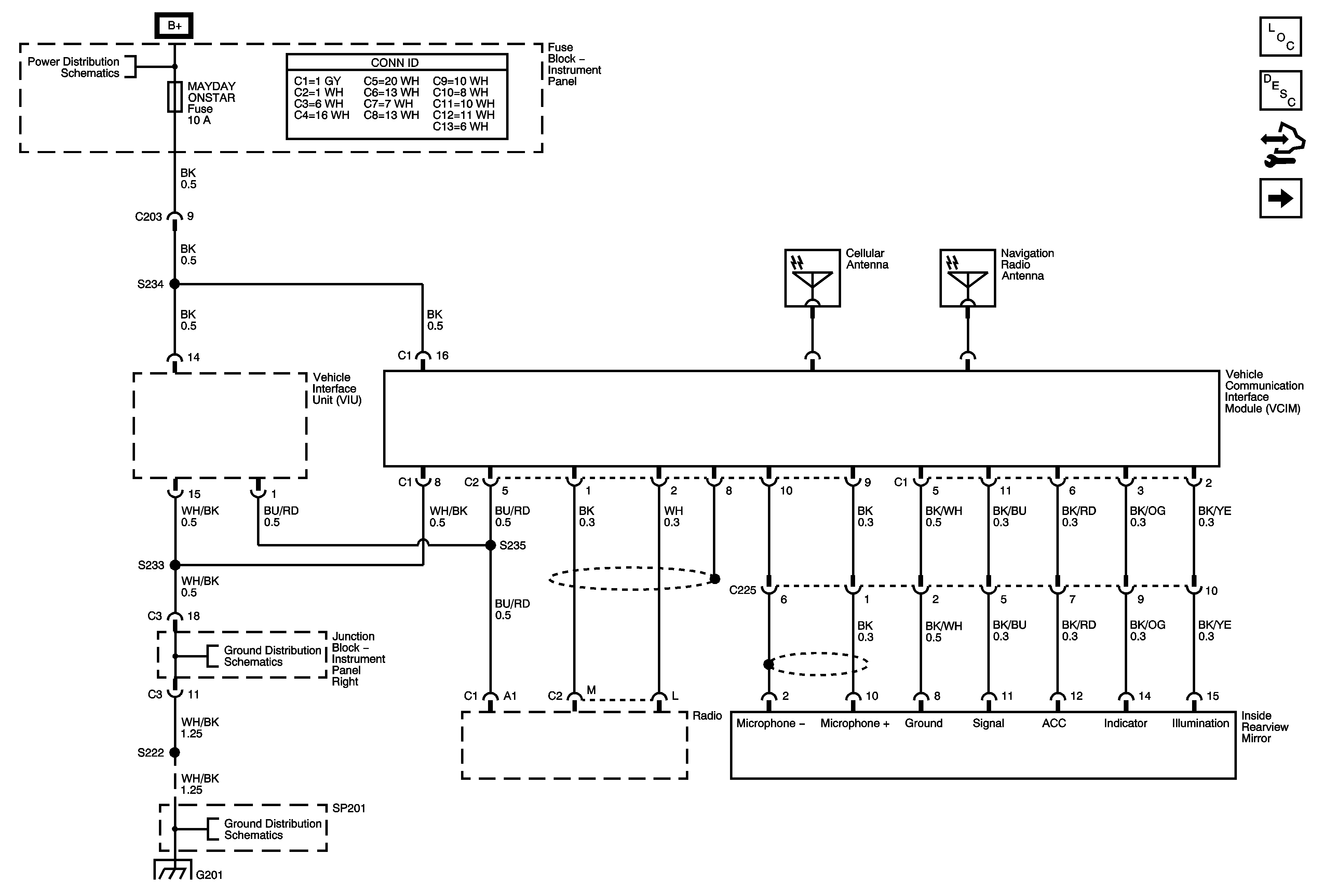
🢒 Vehicle Communication Interface Module (VCIM) Power and Ground, Inside Rearview Mirror
Vehicle Communication Interface Module (VCIM) Power and Ground, Inside Rearview Mirror
Vehicle Communication Interface Module (VCIM) Power and Ground, Inside Rearview Mirror
Master Electrical Component List
OnStar Description and Operation
Control Module References
Vehicle Interface Unit (VIU), Data Link Connector (DLC)
Horn, Dome, Main, Amp, Onstar Fuses
Junction Block - Instrument Panel Right
SP201 and G201