GM Service Manual Online
For 1990-2009 cars only
Makes
🢒
Generic
🢒
2006
🢒
Unit Repair
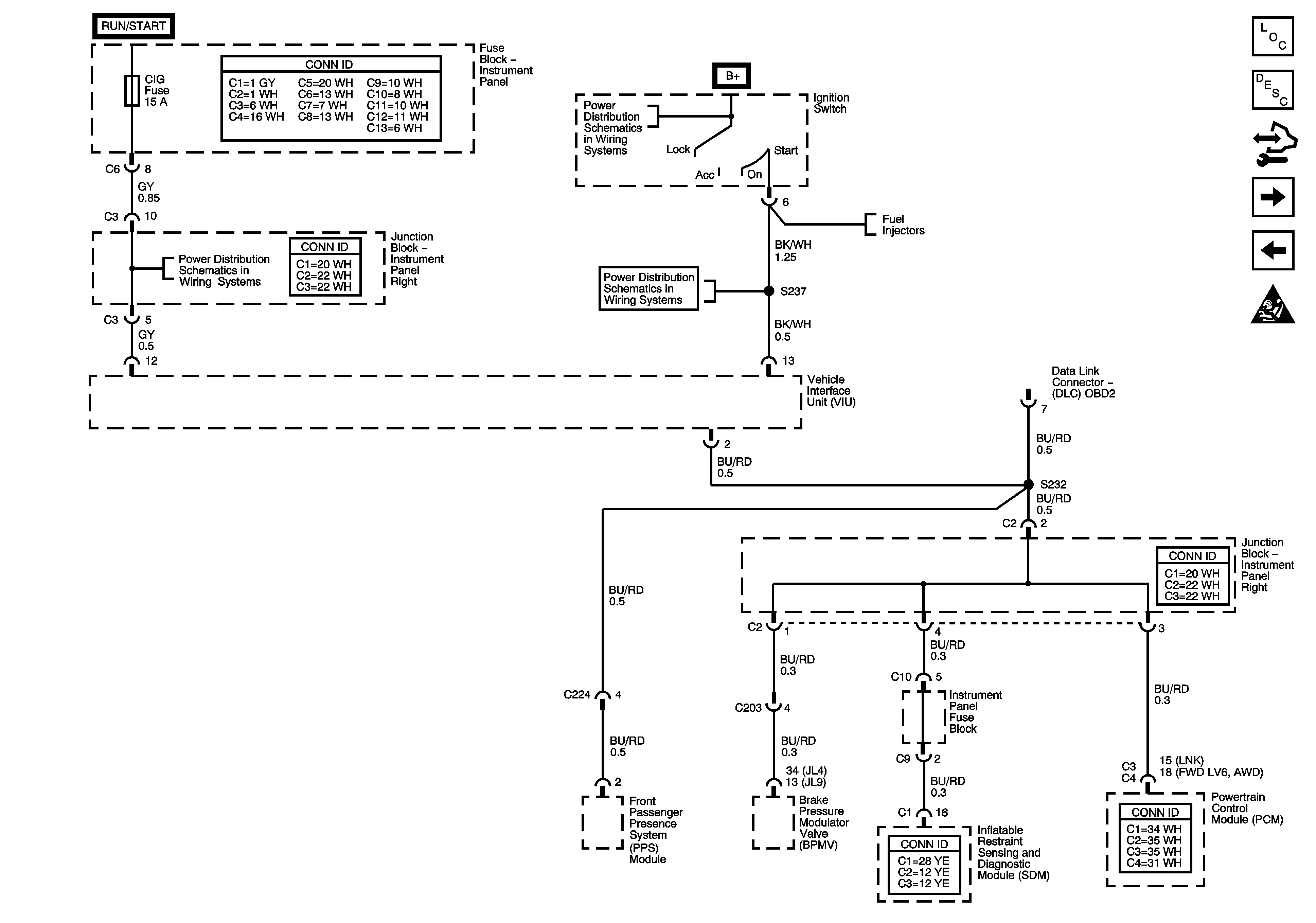
🢒 Vehicle Interface Unit (VIU), Data Link Connector (DLC)
Vehicle Interface Unit (VIU), Data Link Connector (DLC)
Vehicle Interface Unit (VIU), Data Link Connector (DLC)
Master Electrical Component List
OnStar Description and Operation
Control Module References
Vehicle Interface Unit (VIU)
Vehicle Communication Interface Module (VCIM) Power and Ground, Inside Rearview Mirror
SIR Caution for Zoning
Ignition Switch (1 of 2)
Ignition Switch (2 of 2)
Ignition Switch (2 of 2)