GM Service Manual Online
For 1990-2009 cars only
Makes
🢒
Generic
🢒
2006
🢒
Unit Repair
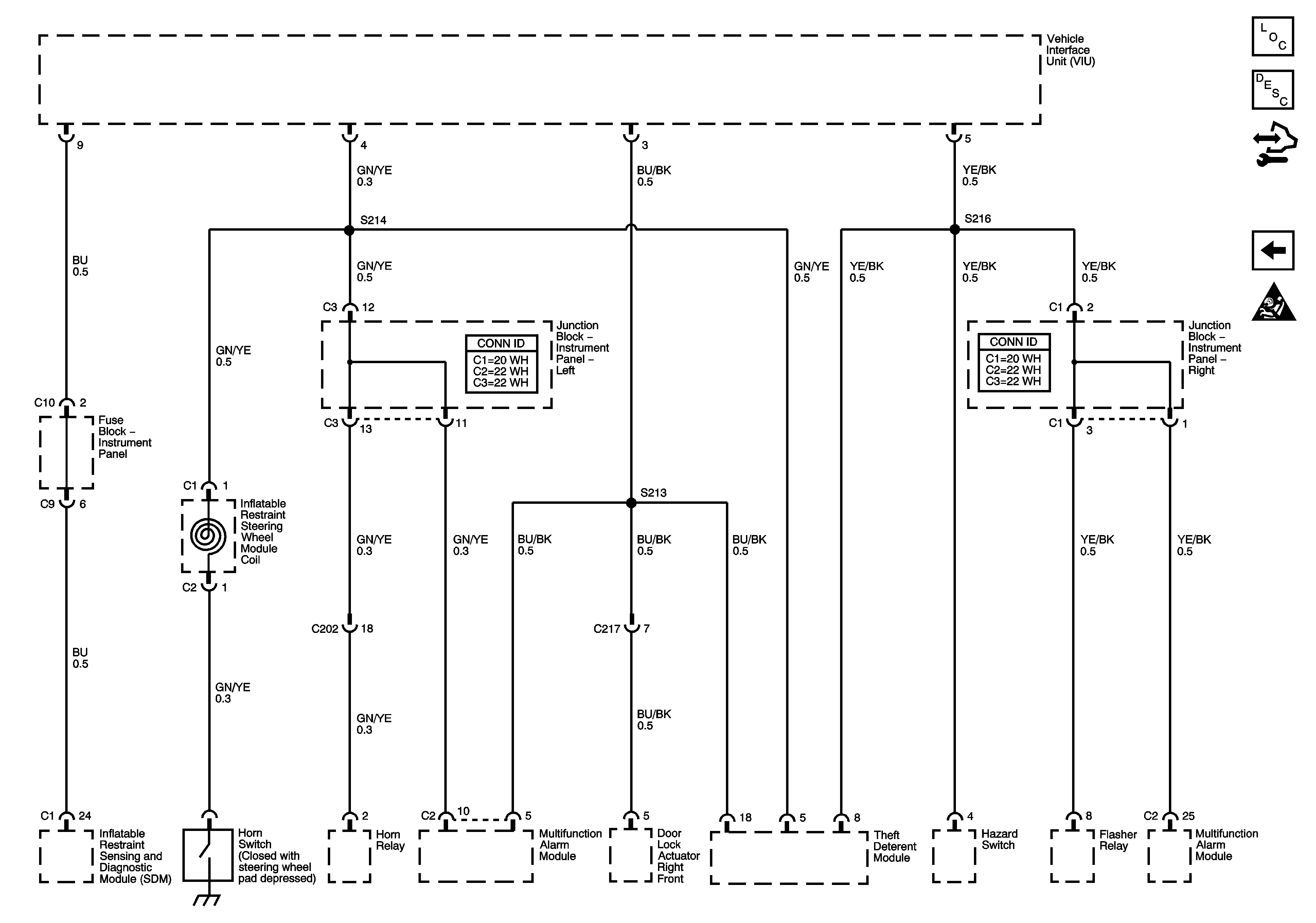
🢒 Vehicle Interface Unit (VIU)
Vehicle Interface Unit (VIU)
Vehicle Interface Unit (VIU)
Master Electrical Component List
OnStar Description and Operation
Control Module References
Vehicle Interface Unit (VIU), Data Link Connector (DLC)
SIR Caution for Zoning