GM Service Manual Online
For 1990-2009 cars only
Makes
🢒
Generic
🢒
2006
🢒
Unit Repair
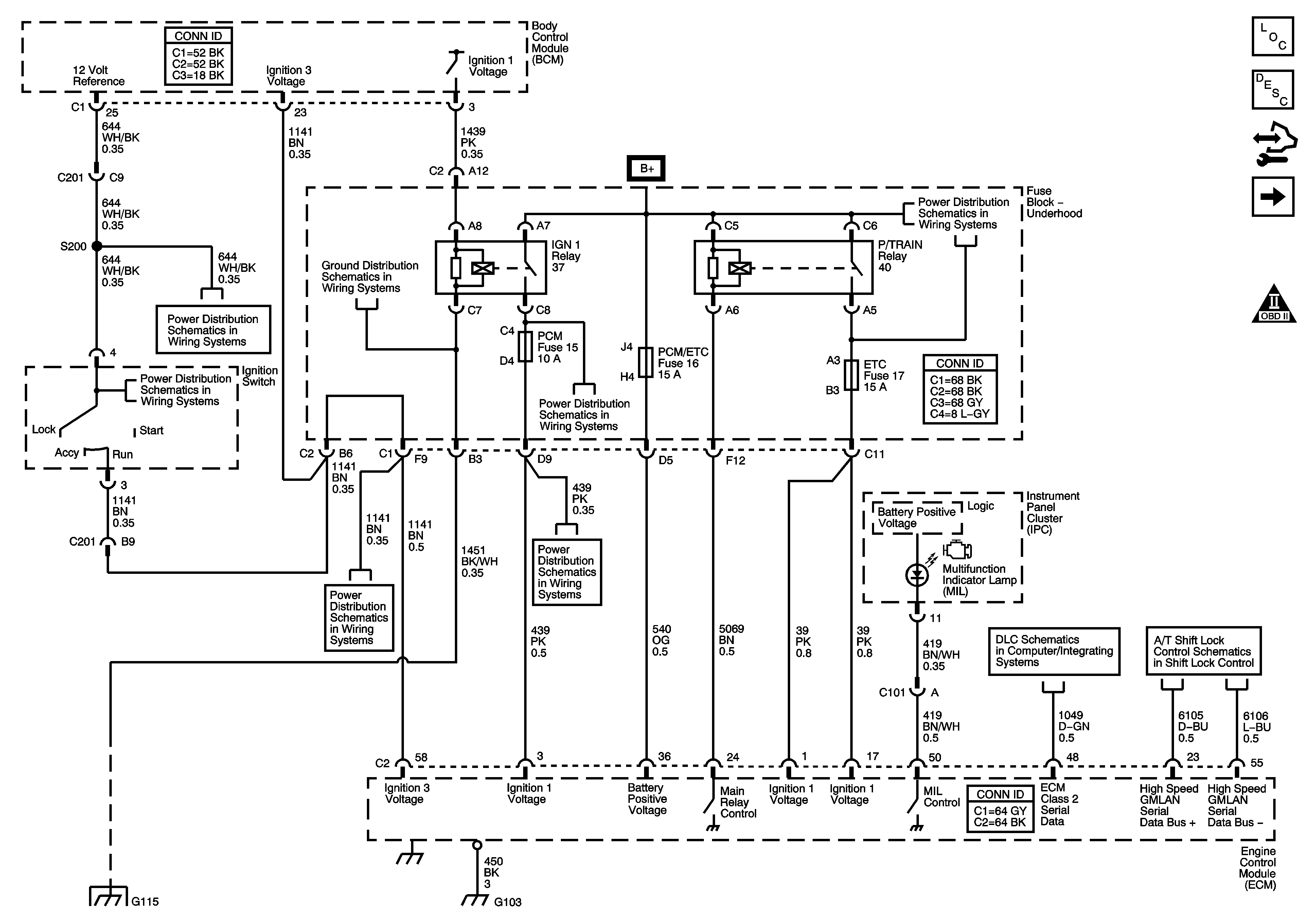
🢒 Module Power, Ground, Serial Data, and MIL
Module Power, Ground, Serial Data, and MIL
Module Power, Ground, Serial Data, and MIL
Master Electrical Component List
Engine Control Module Description
Control Module References
5 Volt and Low Reference page 1 of 2
Engine Controls Schematic Icons
G101, G102, G103, G111, G112, and G113
Fuse Block - Underhood B+ Bus
Ignition Switch
Ignition Switch
Fuse Block - Underhood B+ Bus
Ignition Switch
Fuse Block - Underhood ABS, TRANS SOL, PCM, SIR, and DISPLAY Fuses, CRANK Relay, and Fuse Block - I/P CRUISE SW Fuse
Data Link Connector (DLC) Schematics LY7
LY7
G115 (LY7)
G101, G102, G103, G111, G112, and G113