GM Service Manual Online
For 1990-2009 cars only

Refer to Engine Controls Schematics

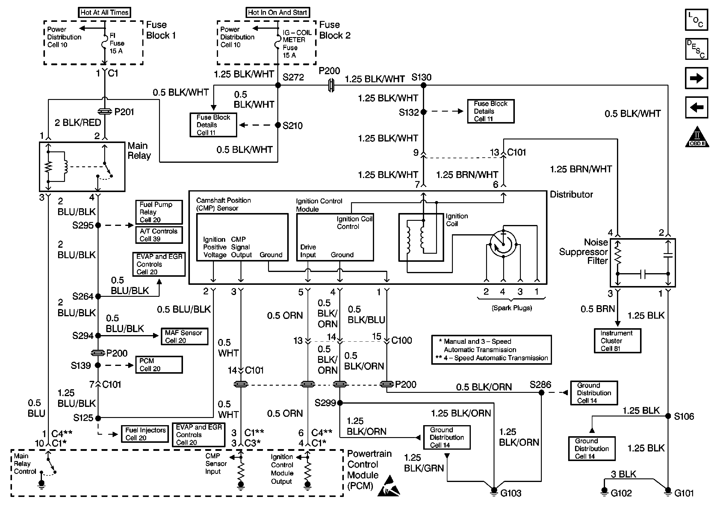
Cell 20: Ignition System


Object Number: 261503  Size: FS
and

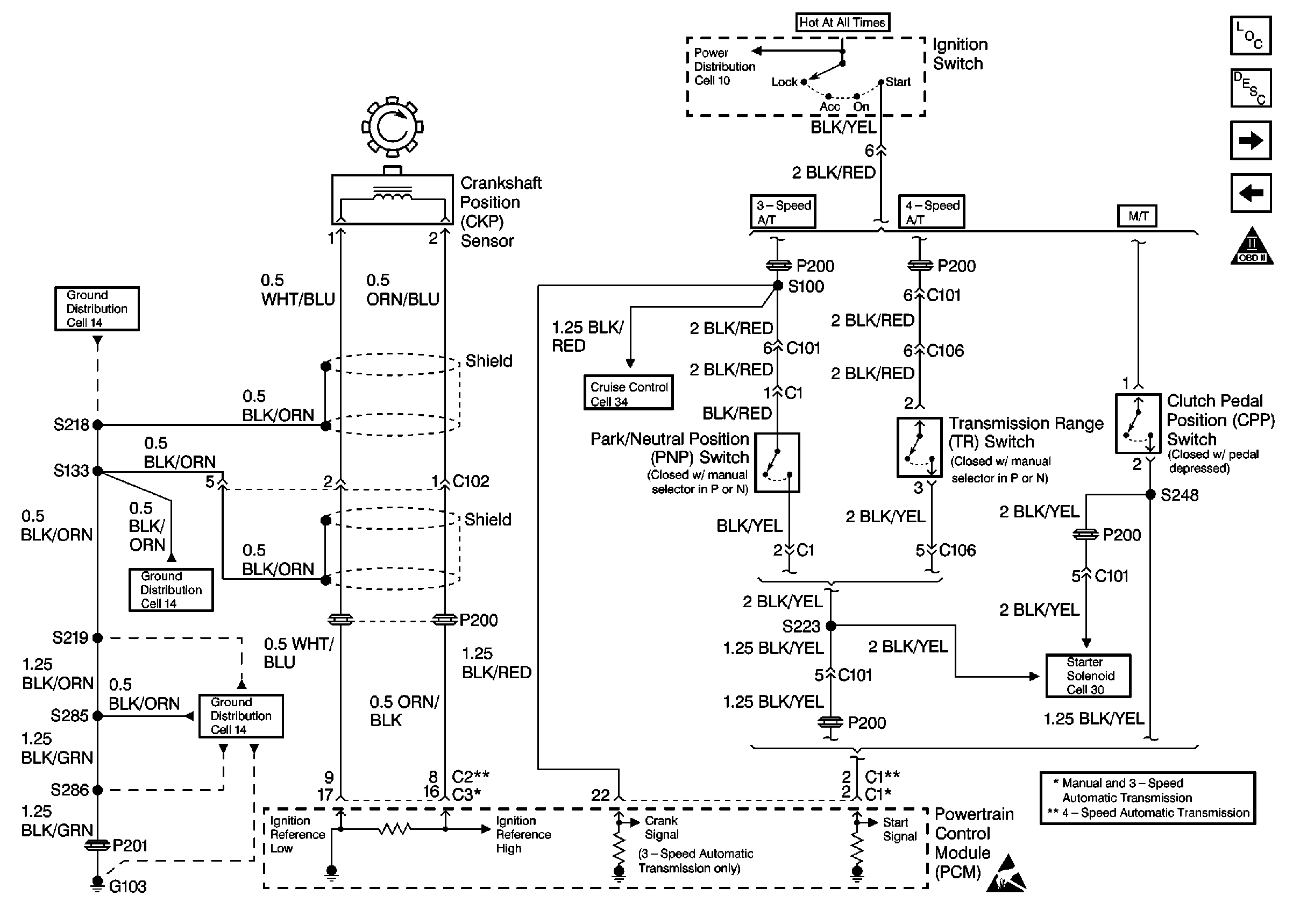
Cell 20: CKP Sensor and Starter Signal


Object Number: 261504  Size: FS
.

Circuit Description

The powertrain control module (PCM) uses information from the crankshaft position (CKP) sensor and the camshaft position (CMP) sensor in order to determine when an engine misfire is occurring. By monitoring changes in the crankshaft rotation for each cylinder the PCM counts individual misfire events. The malfunction indicator lamp (MIL) illuminates when the misfire rate equals or exceeds a pre-determined count. A misfire rate that is high enough can cause the catalytic converter to overheat under certain driving conditions. The MIL will flash On and Off when the conditions for catalytic converter overheating are present.

Conditions for Setting the DTC

    • Engine coolant temperature greater than -7°C (19°F).
    • Intake air temperature is greater than -7°C (19°F).
    • Barometric pressure greater than 75 kPa.
    • Engine speed less than 4,000 RPM.
    • Fuel tank level greater than 15%.
    • TP sensor change is less than 1 degree / 10 ms.
    • Conditions present for 5 seconds after engine start to 1 second from fuel shut-off.

Action Taken When the DTC Sets

    • The PCM flashes the malfunction indicator lamp (MIL) the first time catalytic converter damage occurs.
    • The PCM illuminates the MIL the second time emission thresholds are exceeded (second time the diagnostic fails).
    • The PCM records the operating conditions at the time the diagnostic fails. This information is stored in the Freeze Frame buffer.

Conditions for Clearing the MIL/DTC

    • The MIL turns OFF after three consecutively passing trips without a fault present.
    • A History DTC clears after 40 consecutive warm-up cycles without a fault.
    • Use the scan tool Clear DTC Information function or disconnect the PCM battery feed in order to clear the DTC.

Diagnostic Aids

Check for any of the following conditions:

    • If any DTCs other than misfire (P0300 to P0304) are present, diagnose those DTCs first.
    • Check for engine overheating.
    • Check for engine vacuum leaks.
    • Improper EGR system operation. Refer to Exhaust Gas Recirculation (EGR) System Diagnosis .
    • A PCV system malfunction. Perform a functional check of the PCV valve. Refer to Crankcase Ventilation System Inspection .
    • Check for a malfunctioning fuel injector(s). Normal fuel injector resistance is 12-17 ohms at 20°C (68°F). Perform the Fuel Injector Coil Test/Balance Test Procedure if fuel injector resistance is out of specification. Refer to Fuel Injector Solenoid Coil Test - Engine Coolant Temperature Between 10-35 Degrees C (50-95 Degrees F) .
    • Fuel pressure that is out of specification. Refer to Fuel System Diagnosis .
    • An intermittent ignition system malfunction (spark plugs, ignition wires, ignition coil, and the distributor). Check ignition system performance with an engine oscilloscope.
    • An engine mechanical malfunction. Measure engine cylinder compression and valve lash adjustment for comparison to manufacture specifications. Refer to Engine Mechanical.
    • A damaged wiring harness. Inspect the applicable wiring harness for damage and repair as necessary.
    • A misfire DTC can also be the result of a defective crankshaft timing belt pulley. Remove the crankshaft position (CKP) sensor and inspect the crankshaft signal rotor through the sensor hole. Check the crankshaft timing belt pulley for foreign material or damaged teeth.

If a DTC P0301 cannot be duplicated, the information included in the Freeze Frame data can be useful in determining vehicle operating conditions when the DTC was first set. When the fault can not be duplicated, wet the secondary ignition system of the suspect cylinder with water and operate the vehicle under the conditions that the DTC set.

Test Description

The numbers below refer to the step numbers in the Diagnostic Table.

  1. The Powertrain (OBD) System Check prompts the technician to complete some basic checks and store the Freeze Frame data on the scan tool if applicable. This creates an electronic copy of the data taken when the fault occurred. The information is then stored in the scan tool for later reference.

  2. This step verifies whether the misfire is present.

  3. This step verifies whether the misfire is caused by a hard failure or an intermittent. A misfire can sometimes be cause by a rough road condition.

  4. This step checks for the proper clearance of the signal rotor. The signal rotor should have enough clearance to not contact other components when rotating. The signal rotor clearance is not adjustable. A damaged or improperly aligned signal rotor will require component parts replacement.

  5. Contaminants in the fuel, such as alcohol or water, can create a misfire condition.

  6. Low engine compression and improper lash may also cause a rough idling condition. Refer to the diagnostic section in Engine Mechanical.

Step

Action

Value(s)

Yes

No

1

Did you perform the Powertrain On-Board Diagnostic (OBD) System Check?

--

Go to Step 2

Go to Powertrain On Board Diagnostic (OBD) System Check

2

Start the engine.

Is a DTC P0301 present at idle?

--

Go to Step 4

Go to Step 3

3

  1. Clear the scan tool information.
  2. Operate the vehicle within the Freeze Frame conditions as specified.

Does a DTC P0301 set?

--

Go to Step 4

Go to Diagnostic Aids

4

  1. Install a spark tester at the end of the #1 ignition wire.
  2. Crank the engine while observing the spark tester.
  3. A crisp, blue spark should be observed.

Is adequate spark present?

--

Go to Step 9

Go to Step 5

5

  1. Remove the #1 ignition wire.
  2. Physically inspect the #1 ignition wire for any of the following conditions:
  3. • Carbon tracking
    • Insulation damage
  4. Repair as necessary.

Was a repair necessary?

--

Go to Step 23

Go to Step 6

6

  1. Measure the resistance of the #1 ignition wire, using a DMM.
  2. Replace the #1 ignition wire if it measured greater than the specified value.

Did the #1 ignition wire need replacement?

3.0k to 6.7k ohms/ft

Go to Step 23

Go to Step 7

7

  1. Perform a physical inspection of the distributor cap and rotor. Look for any of the following conditions:
  2. • Cracks
    • Moisture
    • Faulty terminal connection
    • Carbon tracking
  3. Repair as necessary

Were any repairs necessary?

--

Go to Step 23

Go to Step 8

8

  1. Perform a physical inspection of the distributor.
  2. • Check for loose or worn components.
    • Check for damage to the signal rotor.
  3. Replace as necessary.

Was a repair necessary?

--

Go to Step 23

Go to Step 22

9

  1. Remove the spark plugs.
  2. Physically inspect the spark plugs for any of the following conditions:
  3. • Oil fouled
    • Fuel fouled
    • Evidence of coolant
    • Improper gap
    • Loose center electrode
    • Cracked
    • Carbon tracking
    • Loose terminal end
  4. Replace as necessary.

Did any spark plugs need replacement?

--

Go to Step 23

Go to Step 10

10

  1. Turn OFF the ignition.
  2. Install a fuel pressure gauge.
  3. Observe the fuel pressure with the engine running.

Is the fuel pressure within the specified value?

210-260 kPa (30-37 psi)

Go to Step 11

Go to Fuel System Diagnosis

11

Check the fuel for contamination. Refer to Alcohol/Contaminants-in-Fuel Diagnosis .

Is the fuel OK?

--

Go to Step 13

Go to Step 12

12

Replace any contaminated fuel.

Is the action complete?

--

Go to Step 23

--

13

  1. Turn OFF the ignition.
  2. Disconnect the #1 fuel injector electrical connector from the fuel injector.
  3. Install a fuel injector test light to the fuel injector harness connector.
  4. Crank the engine while observing the test light.

Does the fuel injector test light blink?

--

Go to Step 14

Go to Step 15

14

Perform the Fuel Injector Coil Test/Balance Test Procedure. Refer to Fuel Injector Solenoid Coil Test - Engine Coolant Temperature Between 10-35 Degrees C (50-95 Degrees F) .

Are the fuel injectors OK?

--

Go to Step 22

Go to Step 17

15

  1. Disconnect the fuel injector test light.
  2. Probe the ignition feed circuit on the #1 fuel injector harness connector with a test light connected to ground.
  3. Crank the engine while observing the test light.

Did the test light illuminate?

--

Go to Step 16

Go to Step 20

16

  1. Probe the fuel injector control circuit of the #1 fuel injector harness connector with a test light connected to B+.
  2. Crank the engine while observing the test light.

Did the test light flash?

--

Go to Diagnostic Aids

Go to Step 18

17

Replace the faulty fuel injector. Refer to Fuel Injector and Fuel Rail Replacement .

Is the action complete?

--

Go to Step 23

--

18

Check the #1 fuel injector control circuit for any of the following conditions:

    • An open circuit
    • A short to ground
    • A short to voltage

Was a problems found?

--

Go to Step 19

Go to Step 21

19

Repair the open or short in the #1 fuel injector control circuit.

Is the action complete?

--

Go to Step 23

--

20

Repair the open in the ignition feed circuit between the fuel injector harness connector and the main relay.

Is the action complete?

--

Go to Step 23

--

21

Replace the PCM. Refer to Powertrain Control Module Replacement .

Is the action complete?

--

Go to Step 23

--

22

  1. Check for an engine mechanical problem. Refer to the diagnostic section Engine Mechanical in order to diagnose any of the following conditions:
  2. • Faulty or incorrect camshaft
    • Leaky or sticky valves or rings
    • Excessive valve deposits
    • Loose or worn rocker arms
    • Weak valve springs
    • Incorrect valve timing
    • Intake (vacuum) leaks
    • Leaking head gasket
    • Loose or broken motor mount.
  3. If a problem is found, repair as necessary.

Was a basic engine mechanical problem found and repaired?

--

Go to Step 23

Go to Diagnostic Aids

23

  1. Clear the scan tool information and road test the vehicle within the Freeze Frame conditions that set the DTC.
  2. Review the scan tool data and check for DTCs.
  3. The repair is complete if no DTCs are stored.

Are any DTCs displayed on the scan tool?

--

Go to the Applicable DTC Table

System OK