GM Service Manual Online
For 1990-2009 cars only

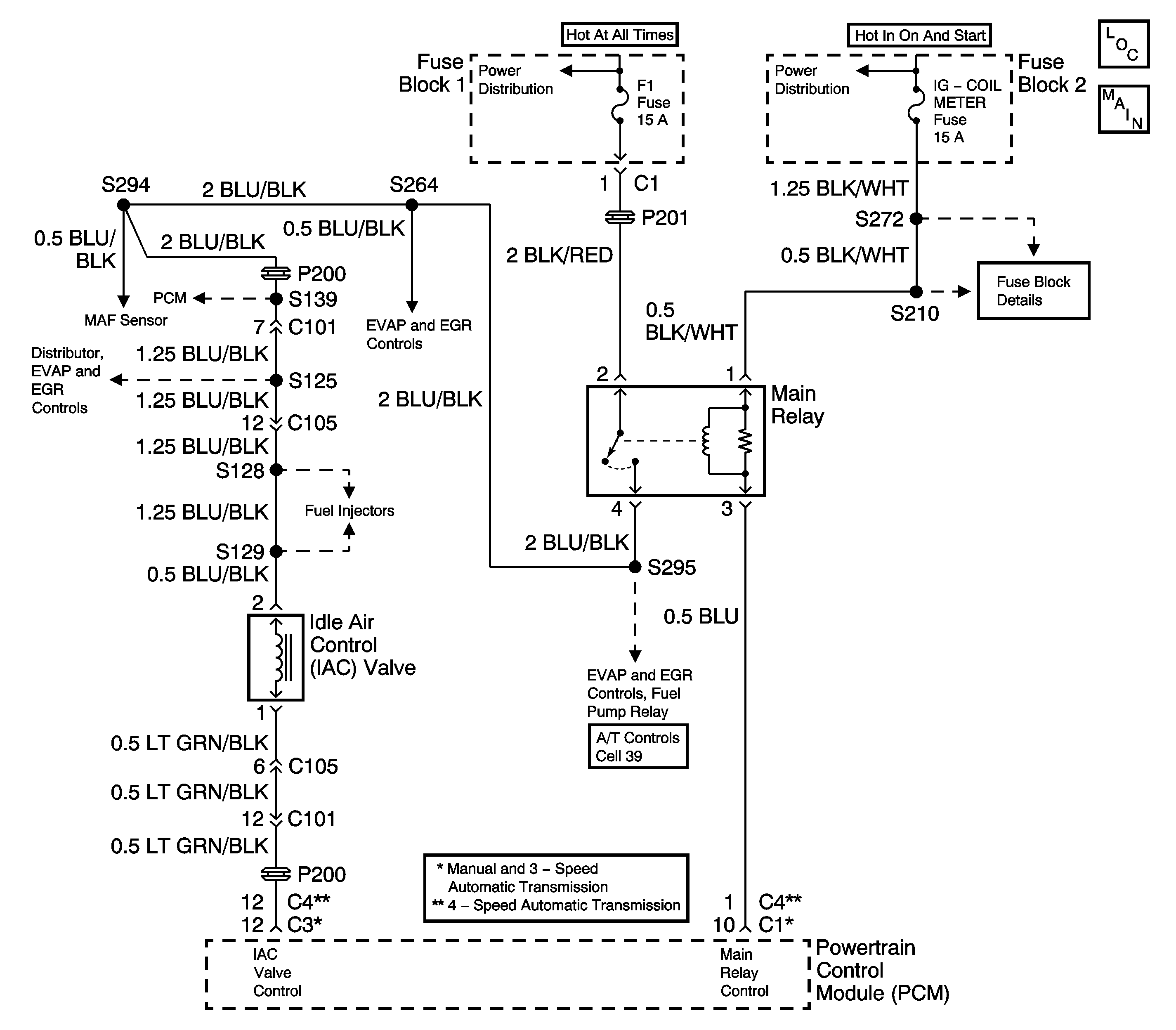
Object Number: 1558131  Size: LF
Engine Controls Schematics

Circuit Description

The powertrain control module (PCM) controls the idle air control (IAC) valve in order to regulate the air flow through the idle air bypass passage. The amount of air flowing through the idle air bypass passage determines the idle speed. The IAC valve is regulated according to engine load. A stalling condition could be caused by the IAC valve not functioning properly.

Conditions for Setting the DTC

    • Difference from target speed is 100 RPM lower than target value.
    • Difference from target speed is 200 RPM greater than target value.
    • Engine coolant temperature is between 70°C (158°F) and 110°C (230°F).
    • Intake air temperature is between -7°C (19°F) and 70°C (158°F).
    • Barometric pressure is greater than 75 kPa.
    • The engine is running in closed loop.

Action Taken When the DTC Sets

    • The PCM illuminates the malfunction indicator lamp (MIL) after two consecutive ignition cycles in which the diagnostic runs with the fault active.
    • The PCM records the operating conditions at the time the diagnostic fails. This information is stored in the Freeze Frame buffer.

Conditions for Clearing the MIL/DTC

    • The MIL turns OFF after three consecutively passing trips without a fault present.
    • A History DTC clears after 40 consecutive warm-up cycles without a fault.
    • Use the scan tool Clear DTC Information function or disconnect the PCM battery feed in order to clear the DTC.

Diagnostic Aids

Check the IAC duty and the idle speed by observing IAC CAL under Misc. test on a scan tool (IAC Duty Cycle - 50% and Idle Speed - 750-850 RPM).

Check for any of the following conditions:

    • An incorrect engine idle speed.
    • A restricted air intake system. Check for a possible collapsed air intake duct, restricted air filter element, or foreign objects blocking the air intake system.
    • Inspect the throttle body for the following:
       - Check for excessive deposits in the IAC air passage or on the IAC pintle.
       - Check for excessive deposits in the throttle bore or on the throttle plate of the throttle body assembly.
    • Check for a malfunction in the PSP Switch circuit. Refer to PSP Switch Diagnosis
    • Check for a malfunction in the A/C Idle circuit. Refer to Air Conditioning (A/C) Idle Circuit Diagnosis

An intermittent malfunction may be caused by a problem in the IAC electrical circuit. Inspect the wiring harness and components for any of the following conditions:

    • Backed out terminals.
    • Improper mating of terminals.
    • Broken electrical connector locks.
    • Improperly formed or damaged terminals.
    • Faulty terminal to wire connections.
    • Physical damage to the wiring harness.
    • A broken wire inside the insulation.
    • Corrosion of electrical connections, splices, or terminals.

Test Description

The numbers below refer to the step numbers in the Diagnostic Table.

  1. The Powertrain (OBD) System Check prompts the technician to complete some basic checks and store the Freeze Frame data on the scan tool if applicable. This creates an electronic copy of the data taken when the fault occurred. The information is then stored in the scan tool for later reference.

  2. This step checks for the correct IAC Duty reading. If the IAC Duty is out of specification, the idle speed will need to be checked.

  3. This step checks for the proper engine idle speed. If the engine idle speed is within specifications (or was previously adjusted to specifications), go to the NO response and continue diagnosis.

  4. Measure the resistance of the IAC valve.

  5. This test checks the functionality of the IAC valve. If the IAC valve operates accordingly, the malfunction may be the cause of the IAC valve control circuit or PCM.

Step

Action

Value(s)

Yes

No

1

Did you perform the Powertrain On-Board Diagnostic (OBD) System Check?

--

Go to Step 2

Go to Powertrain On Board Diagnostic (OBD) System Check

2

  1. Start the engine.
  2. Run the engine to the normal operating temperature (Closed Loop).
  3. Monitor the IAC Duty Cycle, using a scan tool.

Does the scan tool parameter read within the specified range?

20 - 60%

Go to Step 4

Go to Step 3

3

Check for the proper engine idle speed.

Did the engine idle speed require adjustment?

--

Go to Step 2

Go to Step 5

4

  1. Turn ON the ignition, leaving the engine OFF.
  2. Clear the scan tool data information.
  3. Operate the vehicle within the Freeze Frame conditions as noted.

Is a DTC P0505 set?

--

Go to Step 5

Go To Diagnostic Aids

5

  1. Turn OFF the ignition.
  2. Disconnect the IAC valve electrical connector.
  3. Connect a test light to ground and probe the IAC valve ignition feed circuit (harness side).

Is the test light ON?

--

Go to Step 6

Go to Step 9

6

Measure the resistance of the IAC valve, using a DMM.

Is the resistance within the specified value?

11 to 14 ohms at 20°C (68°F)

Go to Step 7

Go to Step 10

7

  1. Disconnect the air intake hose located at the top of the IAC valve.
  2. Blow air into the hose in the direction of the IAC valve.
  3. The air should NOT pass through the IAC valve.
  4. Connect a fused jumper wire from the IAC valve terminal 2 to B+ (valve side).
  5. Connect a fused jumper wire from the IAC valve terminal 1 to ground (valve side).
  6. Blow air into the air intake hose located at the top of the IAC valve.
  7. The air SHOULD pass through the IAC valve freely.

Does the IAC valve fail either test?

--

Go to Step 10

Go to Step 8

8

  1. Check the IAC valve control signal circuit for an open or a short between the IAC valve and the PCM.
  2. Repair as necessary. Refer to Wiring Repairs in Wiring Systems.

Was a repair necessary?

--

Go to Step 12

Go to Step 11

9

  1. Check the IAC valve ignition feed circuit for an open or short.
  2. Repair as necessary. Refer to Wiring Repairs in Wiring Systems.

Is the action complete?

--

Go to Step 12

--

10

Replace the IAC valve. Refer to Idle Air Control Valve Replacement

Is the action complete?

--

Go to Step 12

--

11

Replace the PCM. Refer to Powertrain Control Module Replacement

Is the action complete?

--

Go to Step 12

--

12

  1. Perform the scan tool Clear DTC Information function and road test the vehicle within the Freeze Frame conditions that set the DTC.
  2. Review the scan tool data and check for DTCs. The repair is complete is no DTCs are stored.

Are any DTCs displayed on the scan tool?

--

Go to the Applicable DTC Table

System OK