GM Service Manual Online
For 1990-2009 cars only
Makes
🢒
HUMMER
🢒
2005
🢒
H2
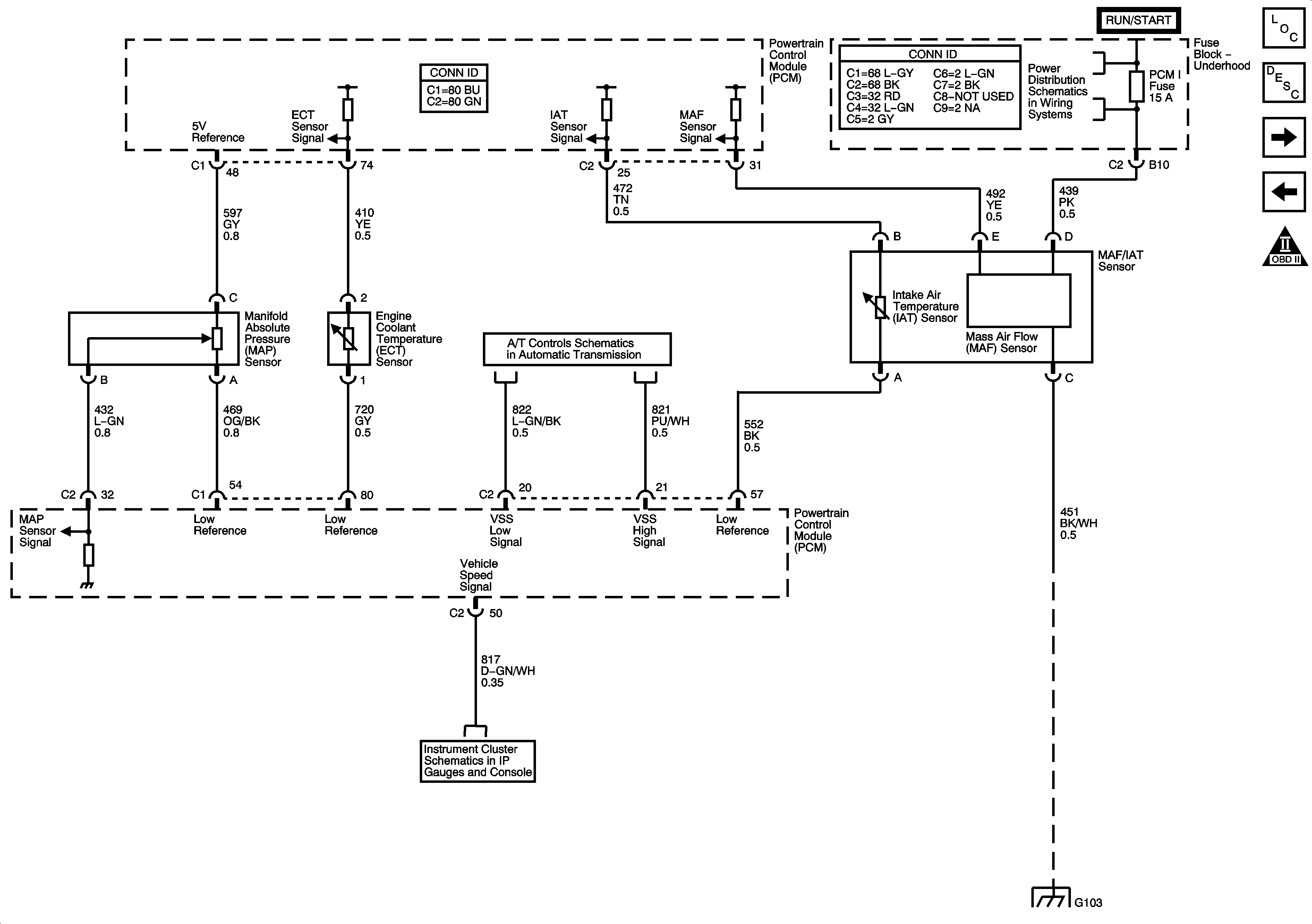
🢒 MAP, ECT, VSS Circuit, and IAT/MAF
MAP, ECT, VSS Circuit, and IAT/MAF
MAP, ECT, VSS Circuit, and IAT/MAF
Master Electrical Component List
Powertrain Control Module Description
HO2S Circuits
5 Volt and Low Reference Busses
OBD II Symbol Description Notice
ETC/ECM, PCM I, INJ 1, and INJ 2 Fuses
Fluid Pressure Switch, TFT Sensor, PC Solenoid Valve, Transfer Case Control Module, and Vehicle Speed Sensor
G102 and G103
Power, Grounding, DLC, Sensors, and Gauges