GM Service Manual Online
For 1990-2009 cars only
Makes
🢒
HUMMER
🢒
2005
🢒
H2
🢒 Ignition Control, Bank 1
Ignition Control, Bank 1
Ignition Control, Bank 1 (LH)
Master Electrical Component List
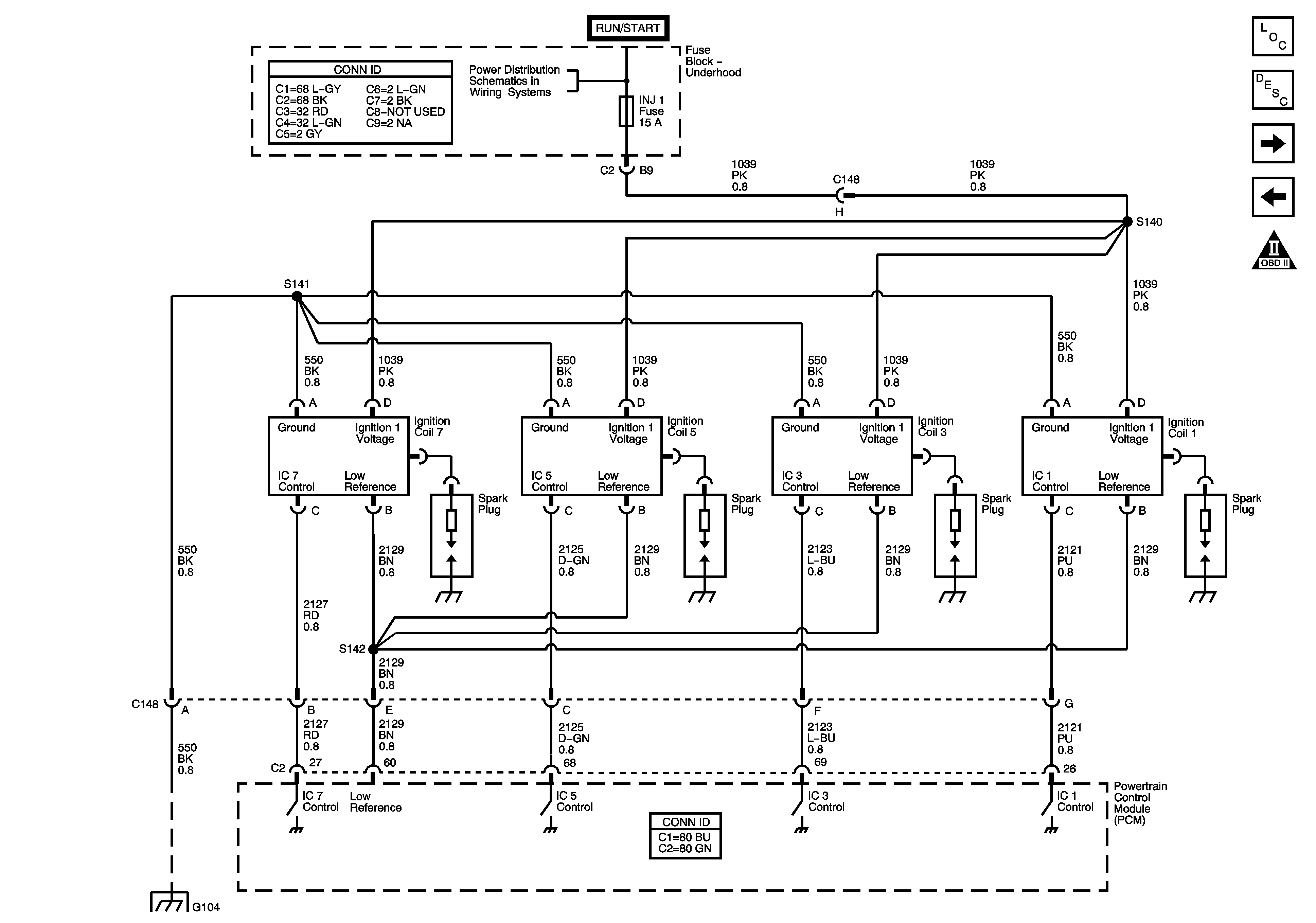
Electronic Ignition (EI) System Description
Electronic Ignition (EI) System Description
Ignition Control, Bank 2
Accelerator Pedal Position Sensor and Throttle Control Circuits
OBD II Symbol Description Notice
ETC/ECM, PCM I, INJ 1, and INJ 2 Fuses
G104 and G106