GM Service Manual Online
For 1990-2009 cars only
Makes
🢒
HUMMER
🢒
2005
🢒
H2
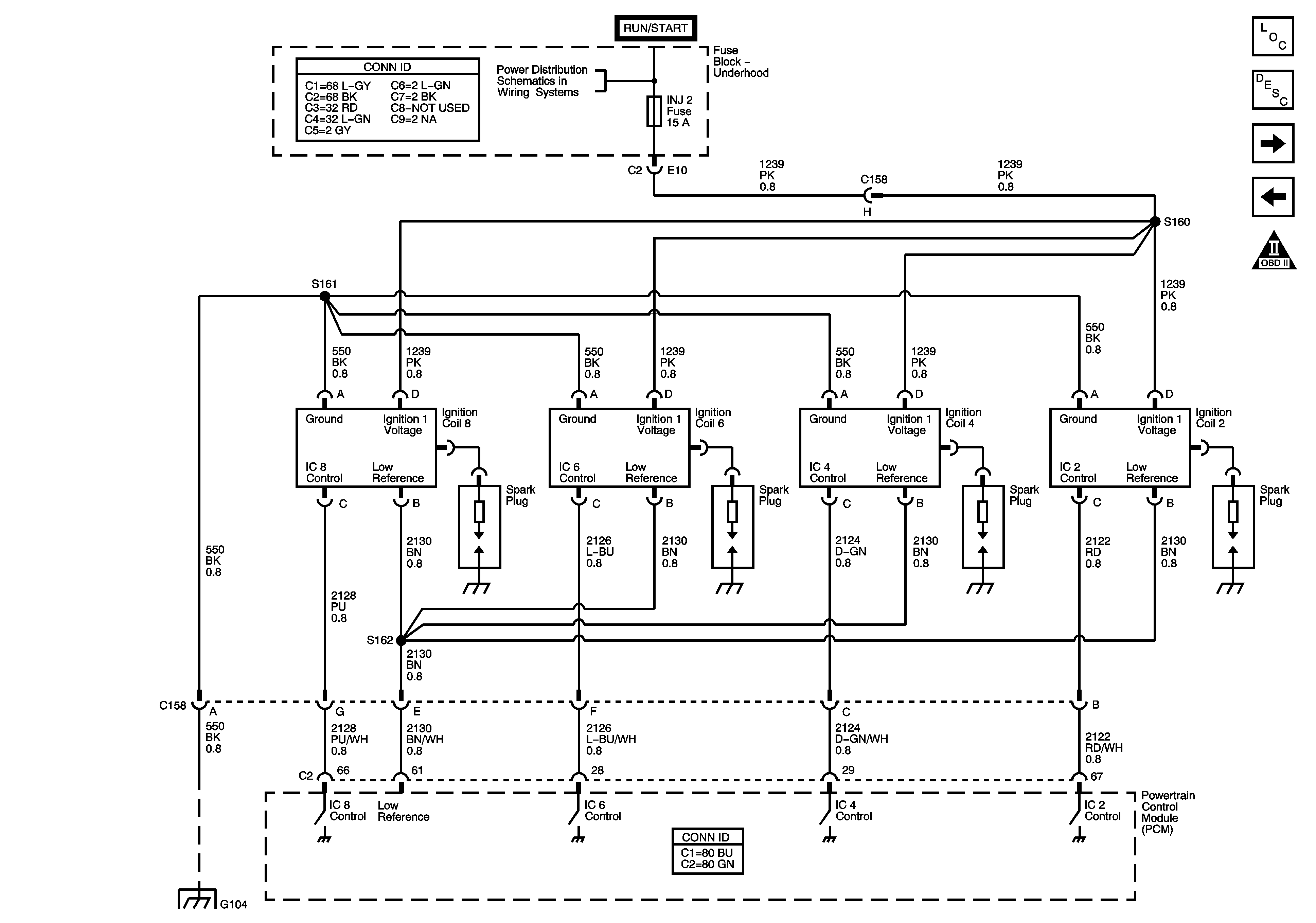
🢒 Ignition Control, Bank 2
Ignition Control, Bank 2
Ignition Control, Bank 2 (RH)
Master Electrical Component List
Electronic Ignition (EI) System Description
Electronic Ignition (EI) System Description
CMP, CKP, KS, and Engine Speed Output
Ignition Control, Bank 1
OBD II Symbol Description Notice
ETC/ECM, PCM I, INJ 1, and INJ 2 Fuses
G104 and G106