GM Service Manual Online
For 1990-2009 cars only
Makes
🢒
HUMMER
🢒
2005
🢒
H2
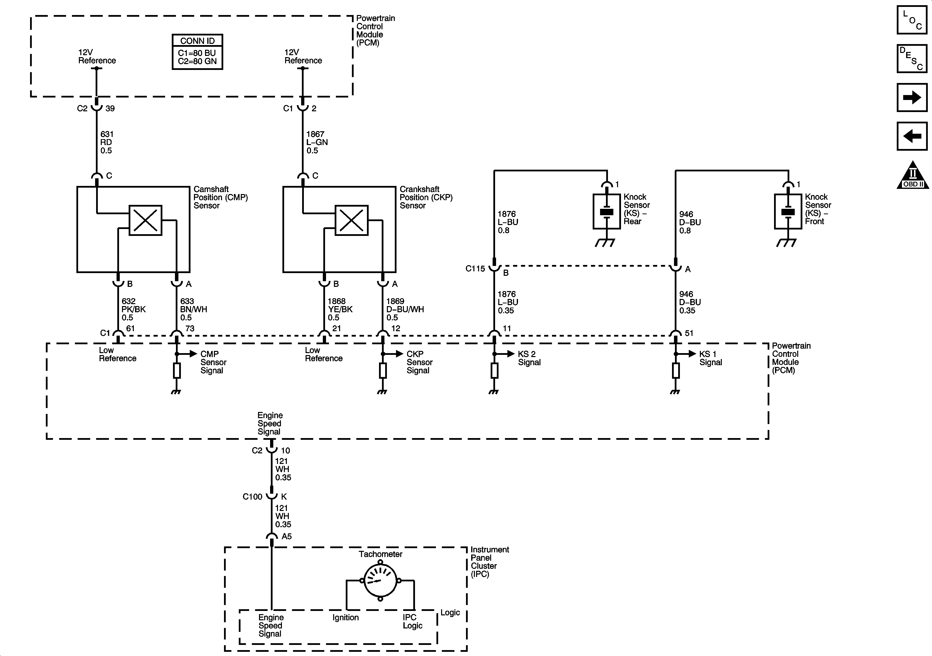
🢒 CMP, CKP, KS, and Engine Speed Output
CMP, CKP, KS, and Engine Speed Output
CMP, CKP, KS, and Engine Speed Output
Master Electrical Component List
Knock Sensor (KS) System Description
Knock Sensor (KS) System Description
Fuel Pump Controls
Ignition Control, Bank 2
OBD II Symbol Description Notice