GM Service Manual Online
For 1990-2009 cars only
Makes
🢒
HUMMER
🢒
2005
🢒
H2
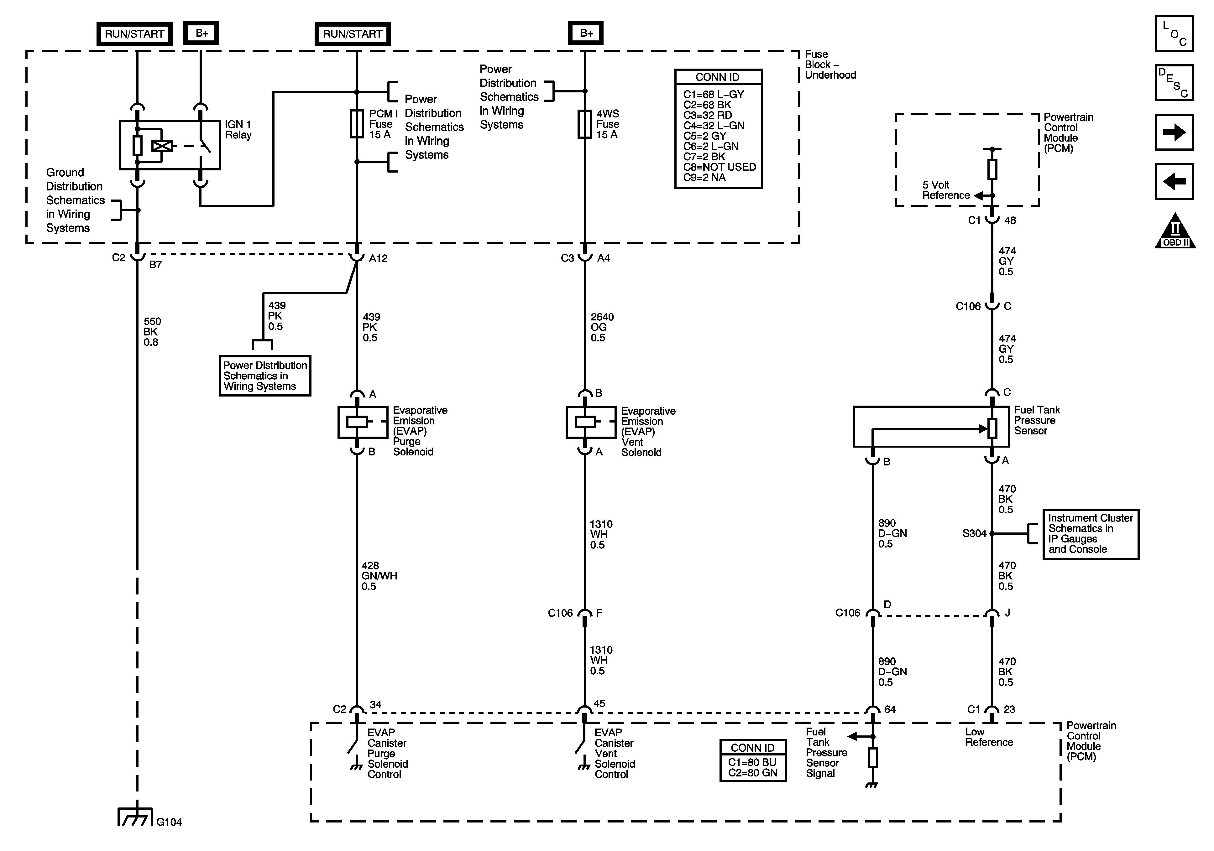
🢒 EVAP and Fuel Tank Pressure Sensor
EVAP and Fuel Tank Pressure Sensor
EVAP and Fuel Tank Pressure Sensor
Master Electrical Component List
Evaporative Emission Control System Description
HVAC and Cruise Control Circuits
Fuel Injector Controls
OBD II Symbol Description Notice
G104 and G106
ETC/ECM, PCM I, INJ 1, and INJ 2 Fuses
ETC/ECM, PCM I, INJ 1, and INJ 2 Fuses
RR DEFOG, RR WPR, 4WS, STOP LP, VEH STOP, and VEH CHMSL Fuses
Power, Grounding, DLC, Sensors, and Gauges
G104 and G106