GM Service Manual Online
For 1990-2009 cars only
Makes
🢒
HUMMER
🢒
2005
🢒
H2
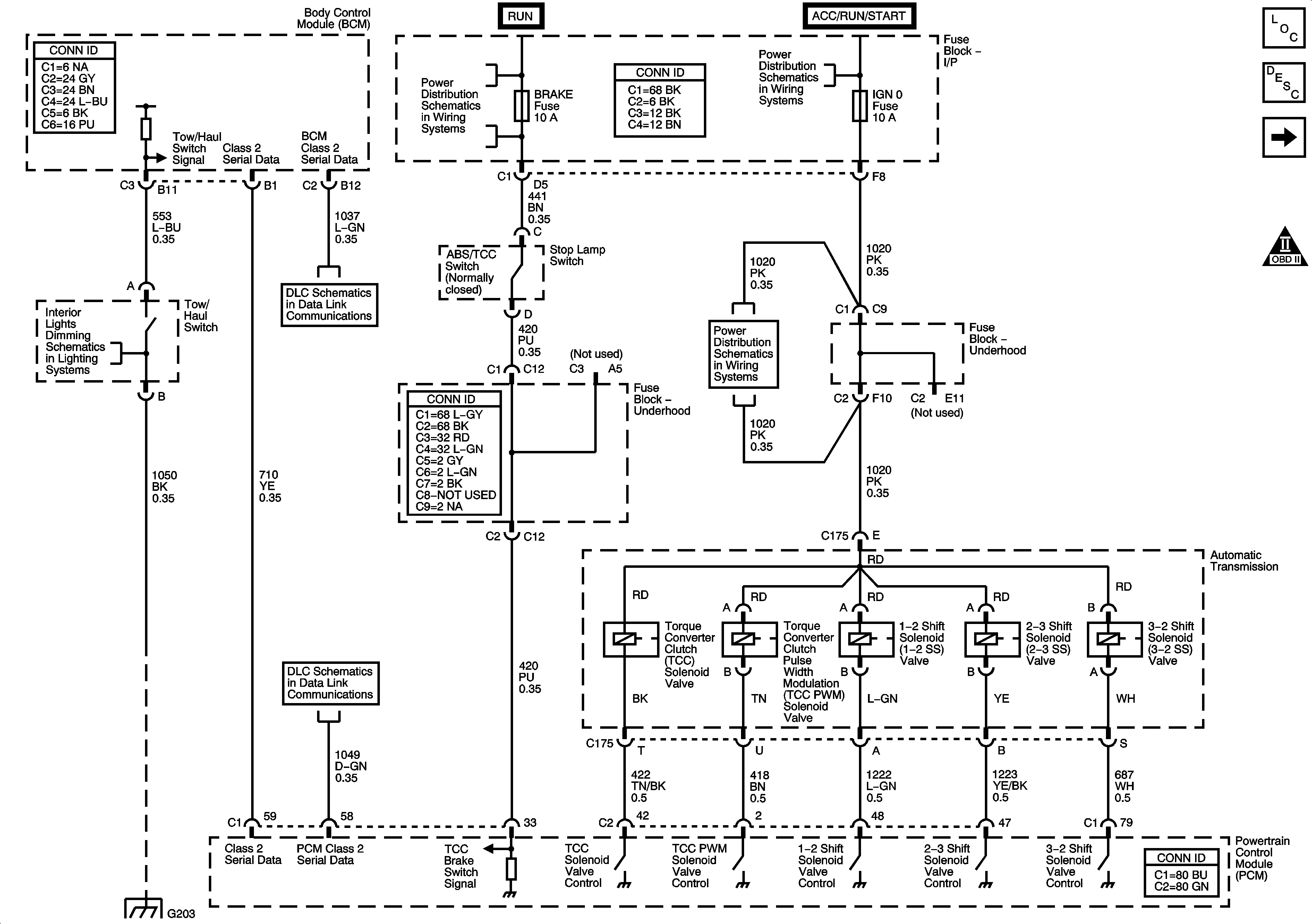
🢒 Power, BCM, PCM, Class 2, Stop Lamp Switch, Tow/Haul Switch, and Shift Solenoids
Power, BCM, PCM, Class 2, Stop Lamp Switch, Tow/Haul Switch, and Shift Solenoids
Power, BCM, PCM, Class 2, Stop Lamp Switch, Tow/Haul Switch, and Shift Solenoids
Master Electrical Component List
Electronic Component Description
Fluid Pressure Switch, TFT Sensor, PC Solenoid Valve, Transfer Case Control Module, and Vehicle Speed Sensor
OBD II Symbol Description Notice
Illumination - Rear Windows, Garage Door Opener, Sunroof, HVAC Control, Headlamp, and Tow/Haul Switches
Power, Ground, DLC, and Splice Pack SP205
BRAKE, 4WD, CRUISE, HVAC 1, and IGN 3 Fuses
WS WPR, SEO ACCY, RR WPR, TBC ACCY, TBC IGN 0, and IGN 0 Fuses
WS WPR, SEO ACCY, RR WPR, TBC ACCY, TBC IGN 0, and IGN 0 Fuses
Power, Ground, DLC, and Splice Pack SP205
CKT 1050: G203, S302, S303, S351, and S215