GM Service Manual Online
For 1990-2009 cars only
Makes
🢒
HUMMER
🢒
2005
🢒
H2
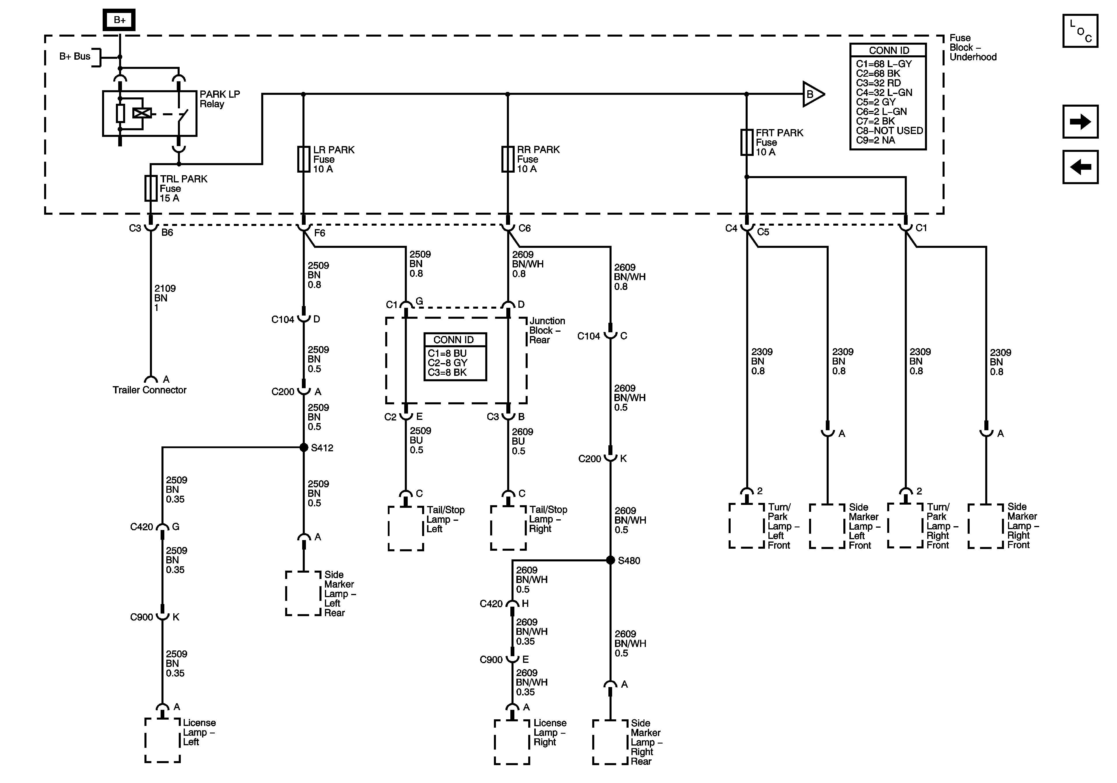
🢒 TRL PARK, LR PARK, RR PARK, and FRT PARK Fuses
TRL PARK, LR PARK, RR PARK, and FRT PARK Fuses
TRL PARK, LR PARK, RR PARK, and FRT PARK Fuses
Master Electrical Component List
INT PARK Fuse
CIG LTR, AUX PWR 1, SUNROOF, RADIO, RADIO AMP, and RR HVAC Fuses
B+Bus
INT PARK Fuse