GM Service Manual Online
For 1990-2009 cars only
Makes
🢒
HUMMER
🢒
2005
🢒
H2
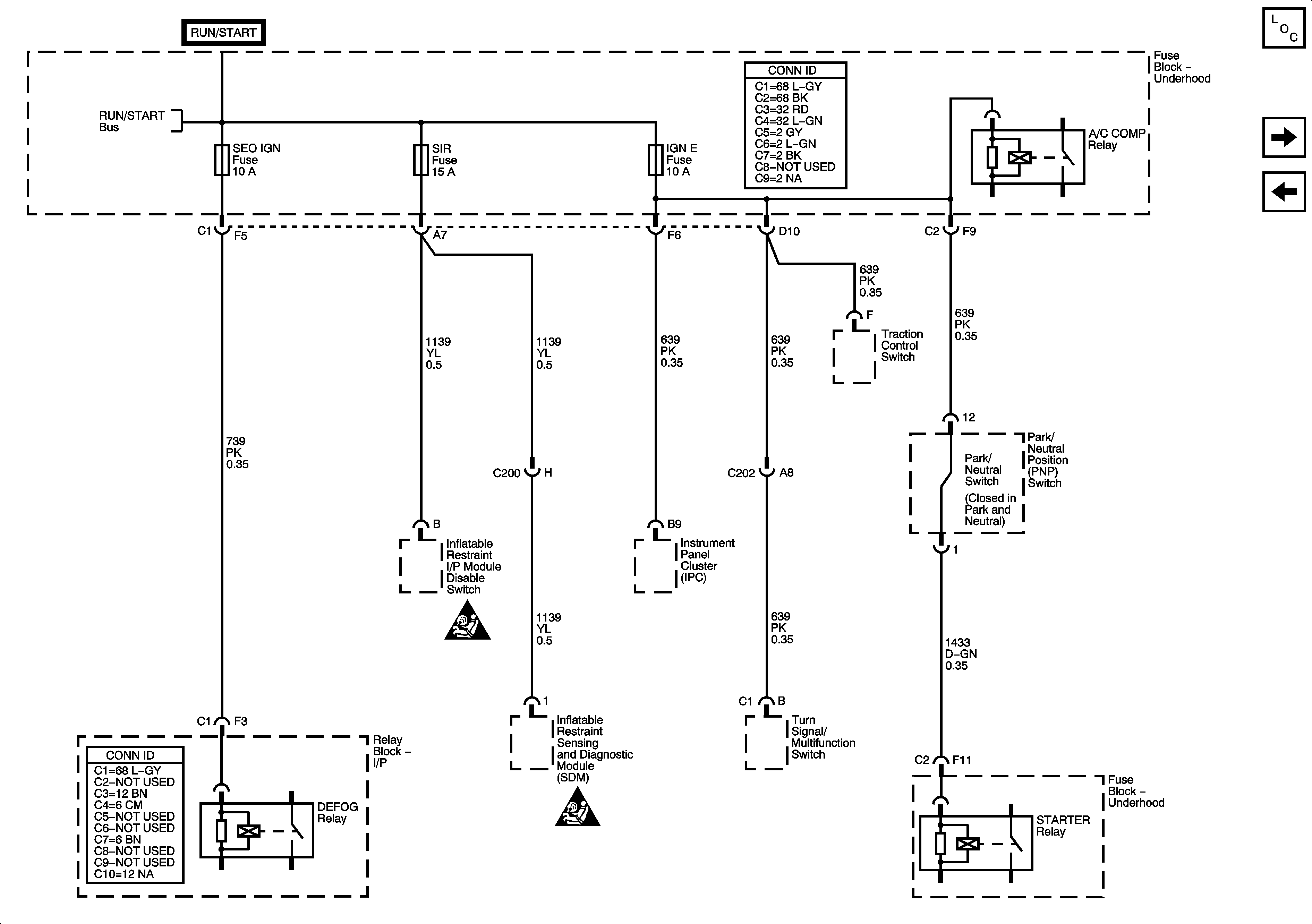
🢒 SEO IGN, SIR, and IGN E Fuses
SEO IGN, SIR, and IGN E Fuses
SEO IGN, SIR, and IGN E Fuses
Master Electrical Component List
ETC/ECM, PCM I, INJ 1, and INJ 2 Fuses
B/U LP, O2A, O2B, TBC IGN 1, TRL B/U, and BTSI Fuses
ACCY/RUN and RUN/START Bus Bars
SIR Caution for Zoning
SIR Caution for Zoning