GM Service Manual Online
For 1990-2009 cars only
Makes
🢒
HUMMER
🢒
2005
🢒
H2
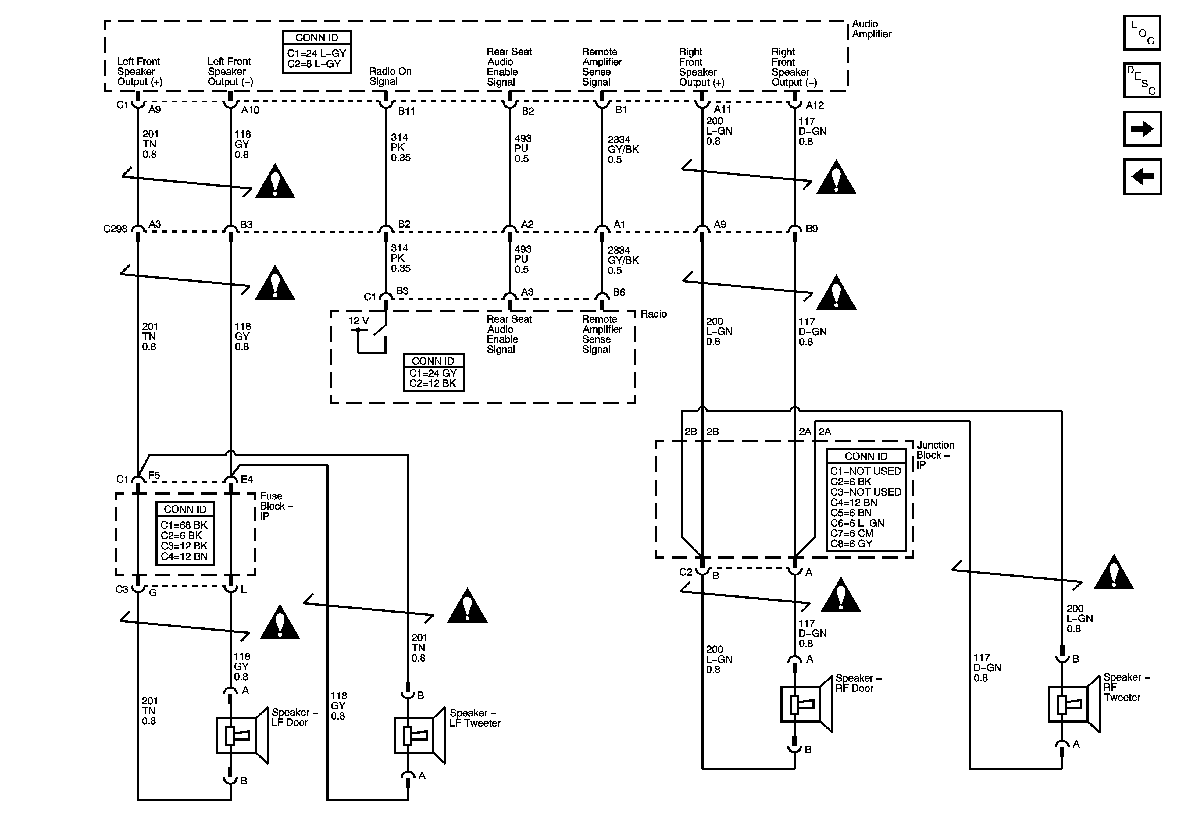
🢒 Front Speakers
Front Speakers
Front Speakers
Master Electrical Component List
Radio/Audio System Description and Operation
Rear Door Speakers and Subwoofer
Radio Audio Outputs and VSS Input
Entertainment Schematic Icons
Entertainment Schematic Icons
Entertainment Schematic Icons
Entertainment Schematic Icons
Entertainment Schematic Icons
Entertainment Schematic Icons
Entertainment Schematic Icons
Entertainment Schematic Icons