GM Service Manual Online
For 1990-2009 cars only
Makes
🢒
HUMMER
🢒
2005
🢒
H2
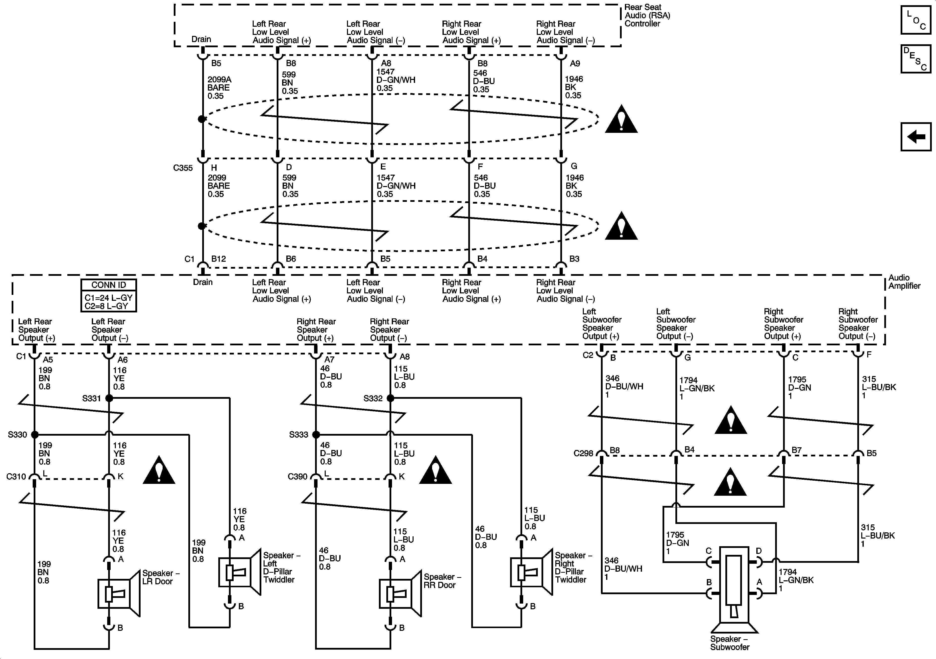
🢒 Rear Door Speakers and Subwoofer
Rear Door Speakers and Subwoofer
Rear Door Speakers and Subwoofer
Master Electrical Component List
Radio/Audio System Description and Operation
Front Speakers
Entertainment Schematic Icons
Entertainment Schematic Icons
Entertainment Schematic Icons
Entertainment Schematic Icons
Entertainment Schematic Icons
Entertainment Schematic Icons