GM Service Manual Online
For 1990-2009 cars only

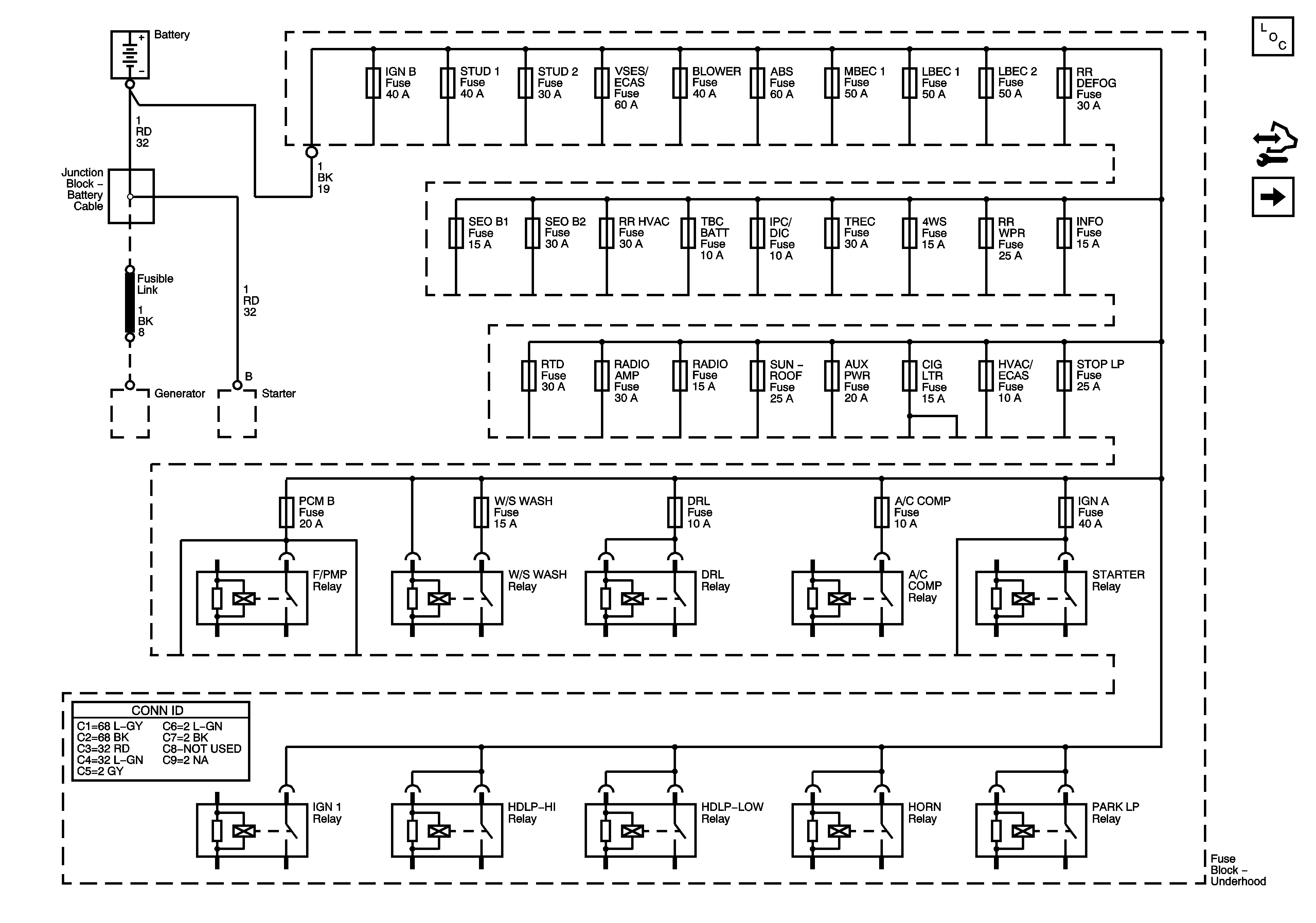
B+ Bus

B+ Bus


Object Number: 1441952  Size: FS
Master Electrical Component List
ABS, BLOWER, MBEC, STUD 1, STUD 2, and VSES/ECAS Fuses, RT DOORS and SEATS Circuit Breakers