GM Service Manual Online
For 1990-2009 cars only
Makes
🢒
HUMMER
🢒
2005
🢒
H2
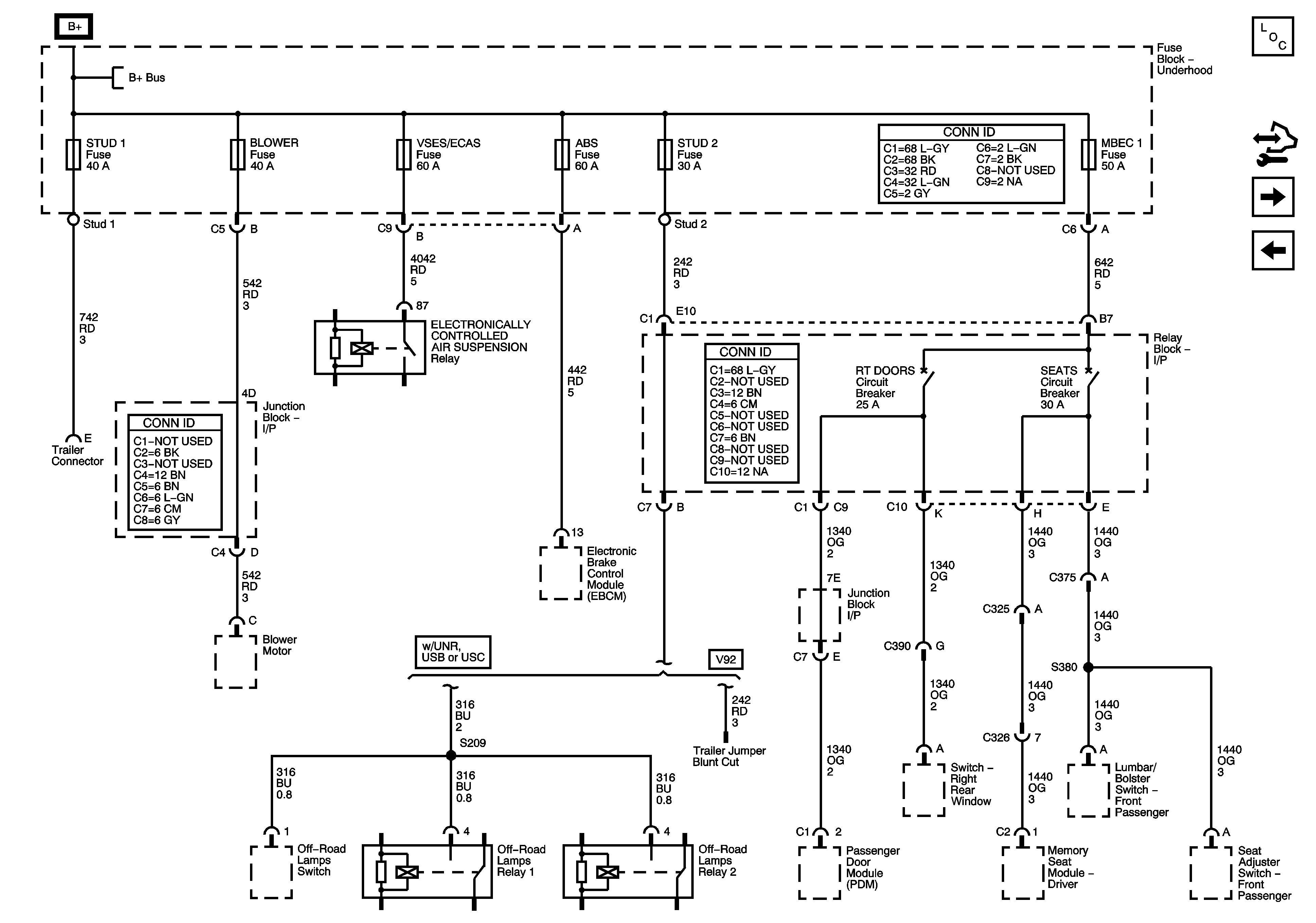
🢒 ABS, BLOWER, MBEC, STUD 1, STUD 2, and VSES/ECAS Fuses, RT DOORS and SEATS Circuit Breakers
ABS, BLOWER, MBEC, STUD 1, STUD 2, and VSES/ECAS Fuses, RT DOORS and SEATS Circuit Breakers
ABS, BLOWER, MBEC, STUD 1, STUD 2, and VSES/ECAS Fuses, RT DOORS and SEATS Circuit Breakers
Master Electrical Component List
DDM, INFO, LBEC 1, LBEC 2, LOCKS, PDM, TBC 2A, TBC 2B, and TBC 2C Fuses, and Left Door and Midgate Circuit Breakers
B+ Bus
B+ Bus