GM Service Manual Online
For 1990-2009 cars only
Makes
🢒
HUMMER
🢒
2005
🢒
H2
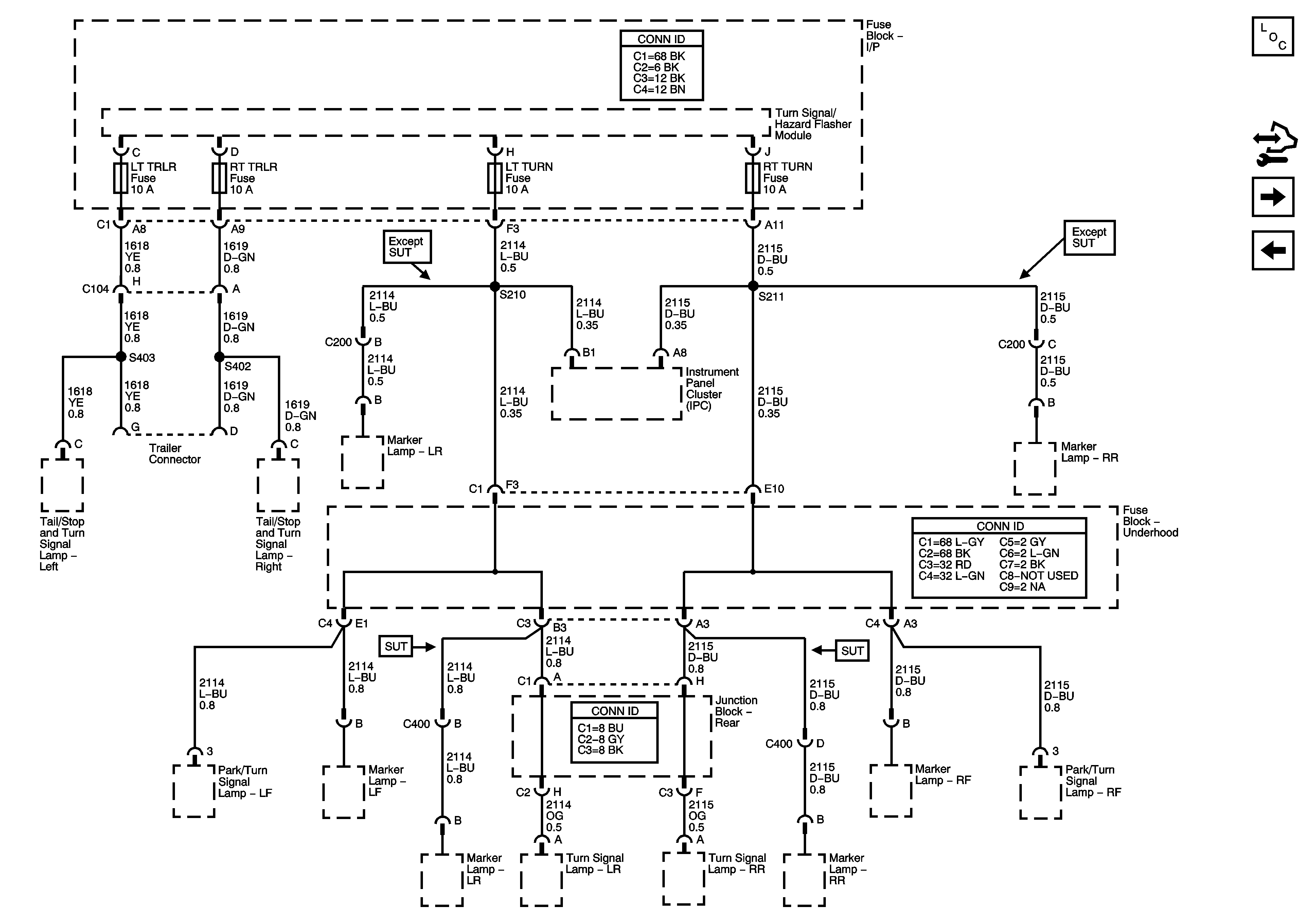
🢒 FLASH, LT TRLR, LT TURN, RT TRLR and RT TURN Fuses
FLASH, LT TRLR, LT TURN, RT TRLR and RT TURN Fuses
FLASH, LT TRLR, LT TURN, RT TRLR, and RT TURN Fuses
Master Electrical Component List
4WS, RR DEFOG, RR WPR, STOP LP, VEH CHMSL and VEH STOP Fuses
DDM, INFO, LBEC 1, LBEC 2, LOCKS, PDM, TBC 2A, TBC 2B, and TBC 2C Fuses, and Left Door and Midgate Circuit Breakers
DDM, INFO, LBEC 1, LBEC 2, LOCKS, PDM, TBC 2A, TBC 2B, and TBC 2C Fuses, and Left Door and Midgate Circuit Breakers