GM Service Manual Online
For 1990-2009 cars only
Makes
🢒
HUMMER
🢒
2005
🢒
H2
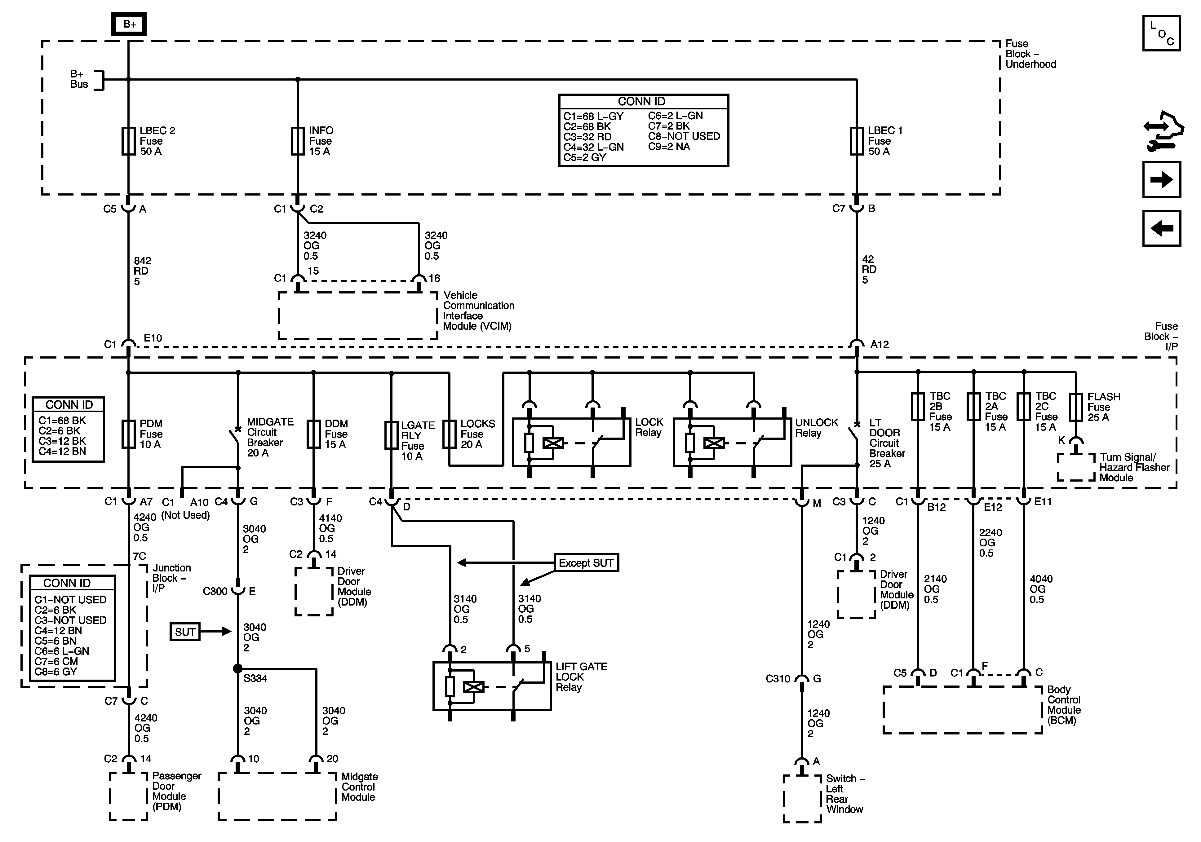
🢒 DDM, INFO, LBEC 1, LBEC 2, LOCKS, PDM, TBC 2A, TBC 2B, and TBC 2C Fuses, and Left Door and Midgate Circuit Breakers
DDM, INFO, LBEC 1, LBEC 2, LOCKS, PDM, TBC 2A, TBC 2B, and TBC 2C Fuses, and Left Door and Midgate Circuit Breakers
DDM, INFO, LBEC 1, LBEC 2, LOCKS, PDM, TBC 2A, TBC 2B, and TBC 2C Fuses, and LT DOOR and MIDGATE Circuit Breaker
Master Electrical Component List
FLASH, LT TRLR, LT TURN, RT TRLR and RT TURN Fuses
ABS, BLOWER, MBEC, STUD 1, STUD 2, and VSES/ECAS Fuses, RT DOORS and SEATS Circuit Breakers
B+ Bus
FLASH, LT TRLR, LT TURN, RT TRLR and RT TURN Fuses