GM Service Manual Online
For 1990-2009 cars only
Makes
🢒
HUMMER
🢒
2005
🢒
H2
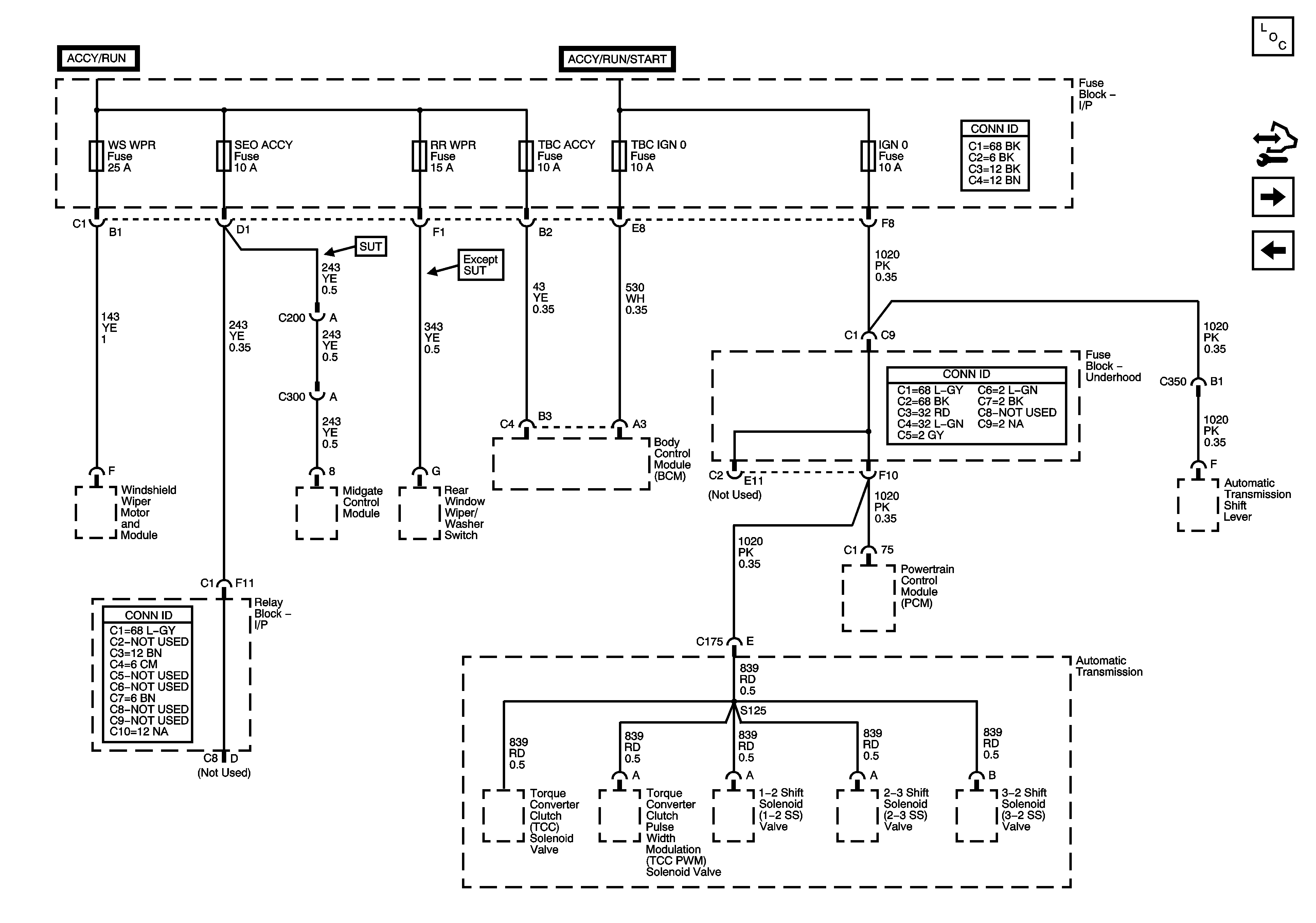
🢒 IGN 0, RR WPR, SEO ACCY, TBC ACCY, TBC IGN 0 and WS WPR Fuses
IGN 0, RR WPR, SEO ACCY, TBC ACCY, TBC IGN 0 and WS WPR Fuses
IGN 0, RR WPR, SEO ACCY, TBC ACCY, TBC IGN 0, and WS WPR Fuses
Master Electrical Component List
4WD, BRAKE, CRUISE, HVAC 1 and IGN 3 Fuses
IGN E, SEO IGN and SIR Fuses