GM Service Manual Online
For 1990-2009 cars only
Makes
🢒
HUMMER
🢒
2005
🢒
H2
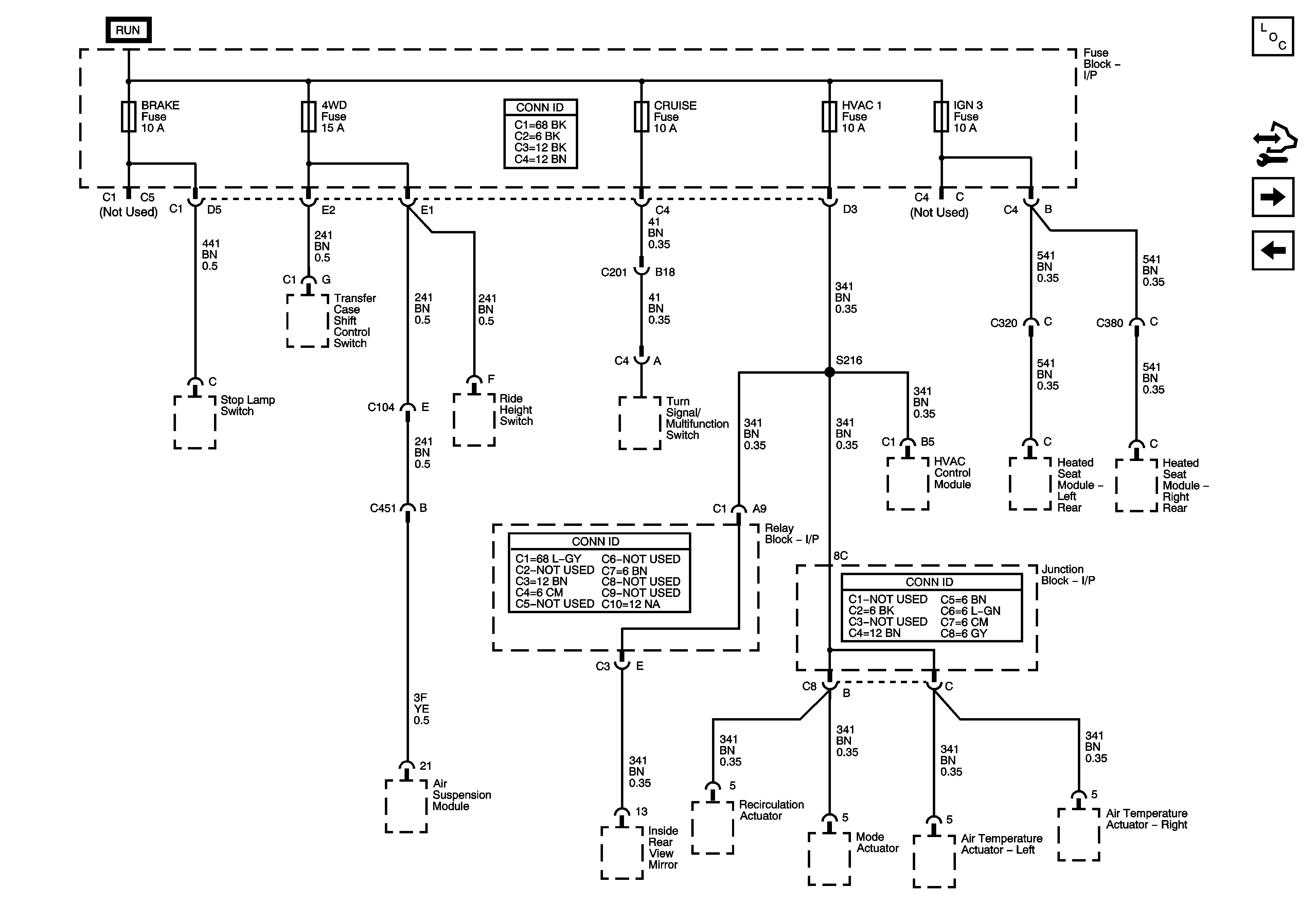
🢒 4WD, BRAKE, CRUISE, HVAC 1 and IGN 3 Fuses
4WD, BRAKE, CRUISE, HVAC 1 and IGN 3 Fuses
4WD, BRAKE, CRUISE, HVAC 1, and IGN 3 Fuses
Master Electrical Component List
HI HDLP LT, HI HDLP RT, LO HDLP LT and LO HDLP RT Fuses
IGN 0, RR WPR, SEO ACCY, TBC ACCY, TBC IGN 0 and WS WPR Fuses