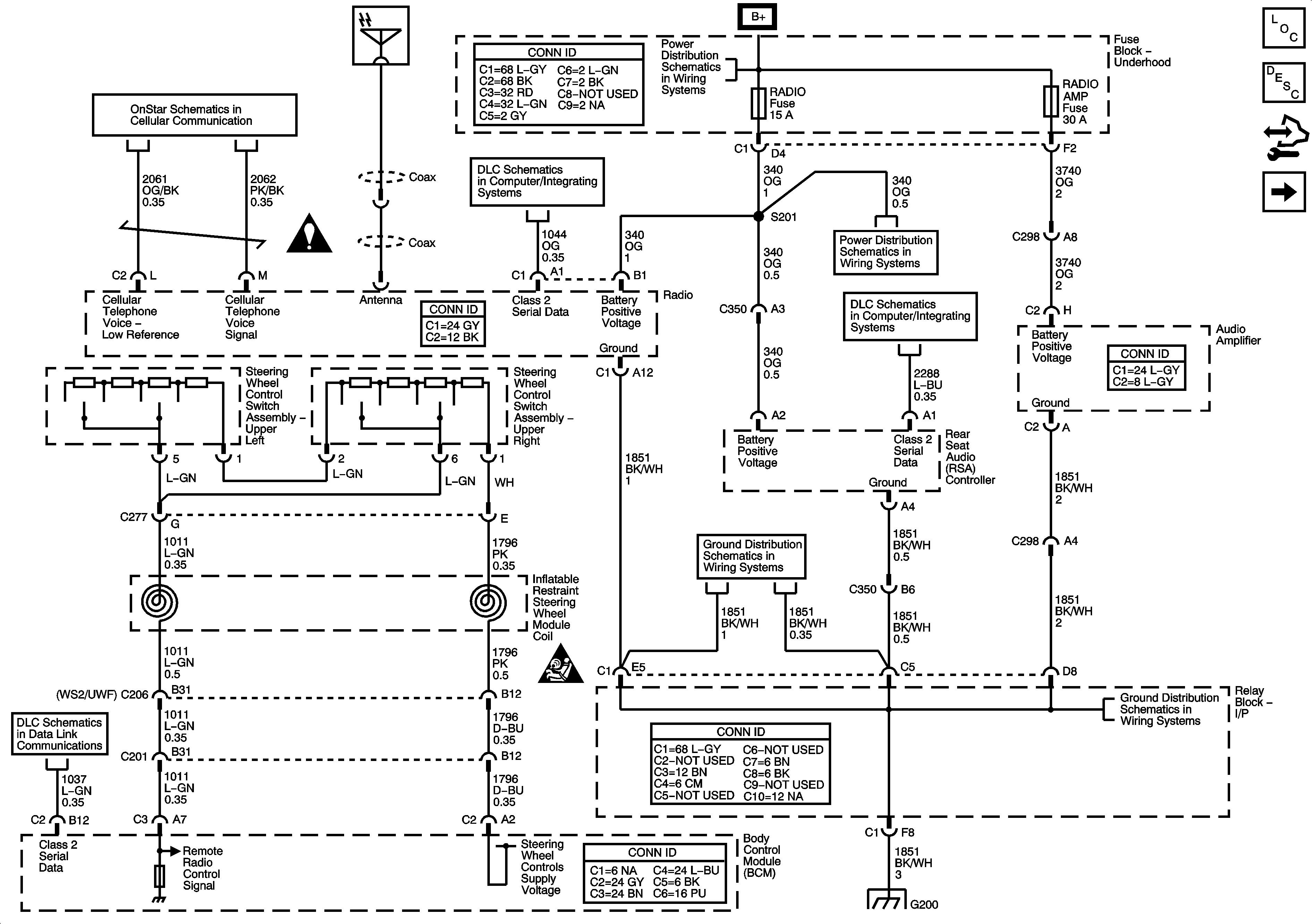
| Figure 1: |
Power, Ground, Serial Data, and Steering Wheel Controls
|
| Figure 2: |
Radio Audio Outputs and VSS Input
|
| Figure 3: |
Front Speakers
|
| Figure 4: |
Rear Door Speakers and Subwoofer
|
| Figure 5: |
Digital Radio Receiver (U2K)
|