GM Service Manual Online
For 1990-2009 cars only
Makes
🢒
HUMMER
🢒
2007
🢒
H2
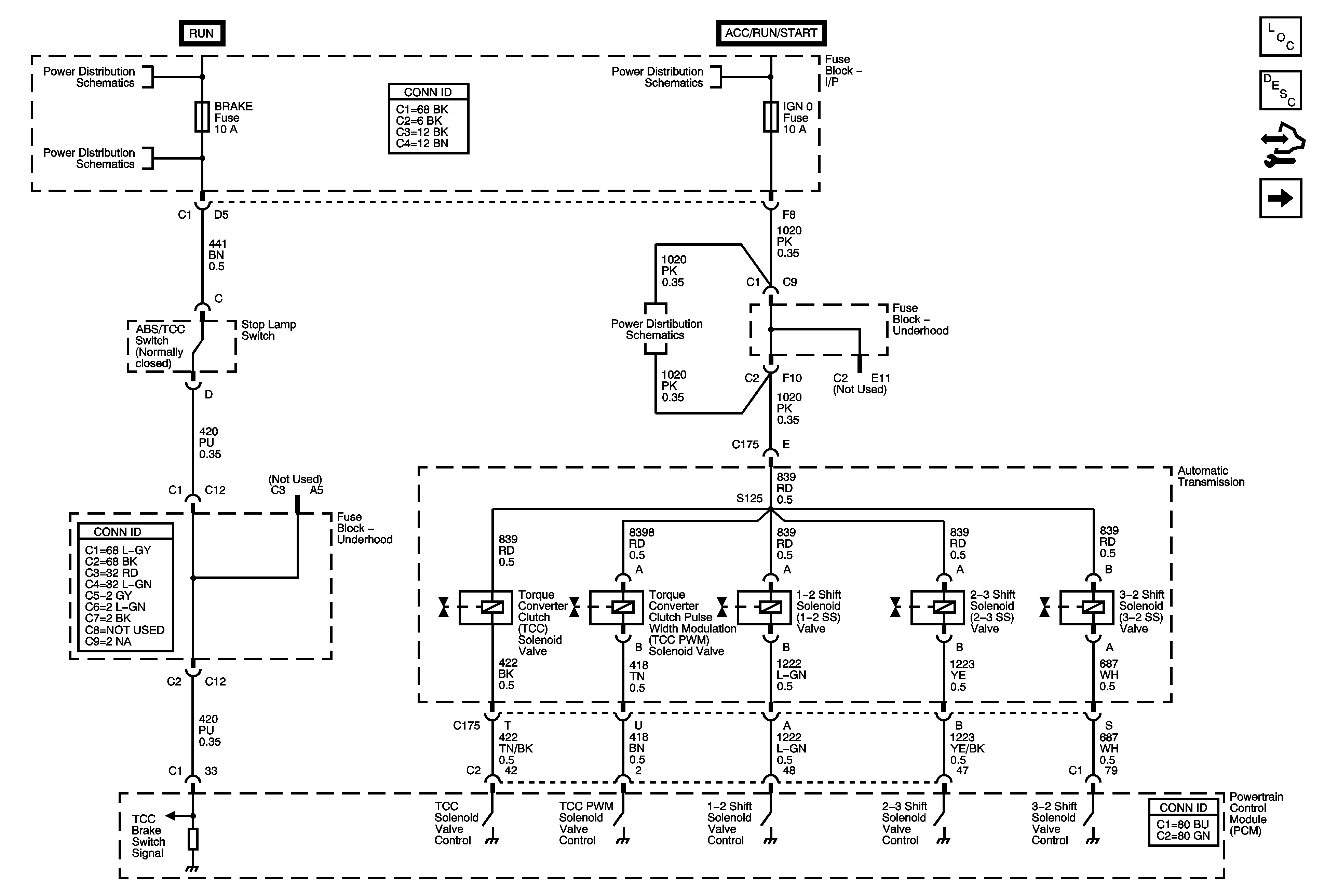
🢒 Shift Controls and Stop Lamp Switch
Shift Controls and Stop Lamp Switch
Shift Controls and Stop Lamp Switch
Master Electrical Component List
Electronic Component Description
Control Module References
Pressure Controls, Temperature, and VSS
Ignition Switch - ACY/RUN/START, RUN and Start Bus Bars, and CRANK and IGN A Fuses
4WD, BRAKE, CRUISE, HVAC 1, and IGN 3 Fuses
Ignition Switch - ACY/RUN/START, RUN and Start Bus Bars, and CRANK and IGN A Fuses
IGN 0, RR WPR, SEO ACCY, TBC ACCY, TBC IGN 0, and WS WPR Fuses