GM Service Manual Online
For 1990-2009 cars only
Makes
🢒
HUMMER
🢒
2007
🢒
H2
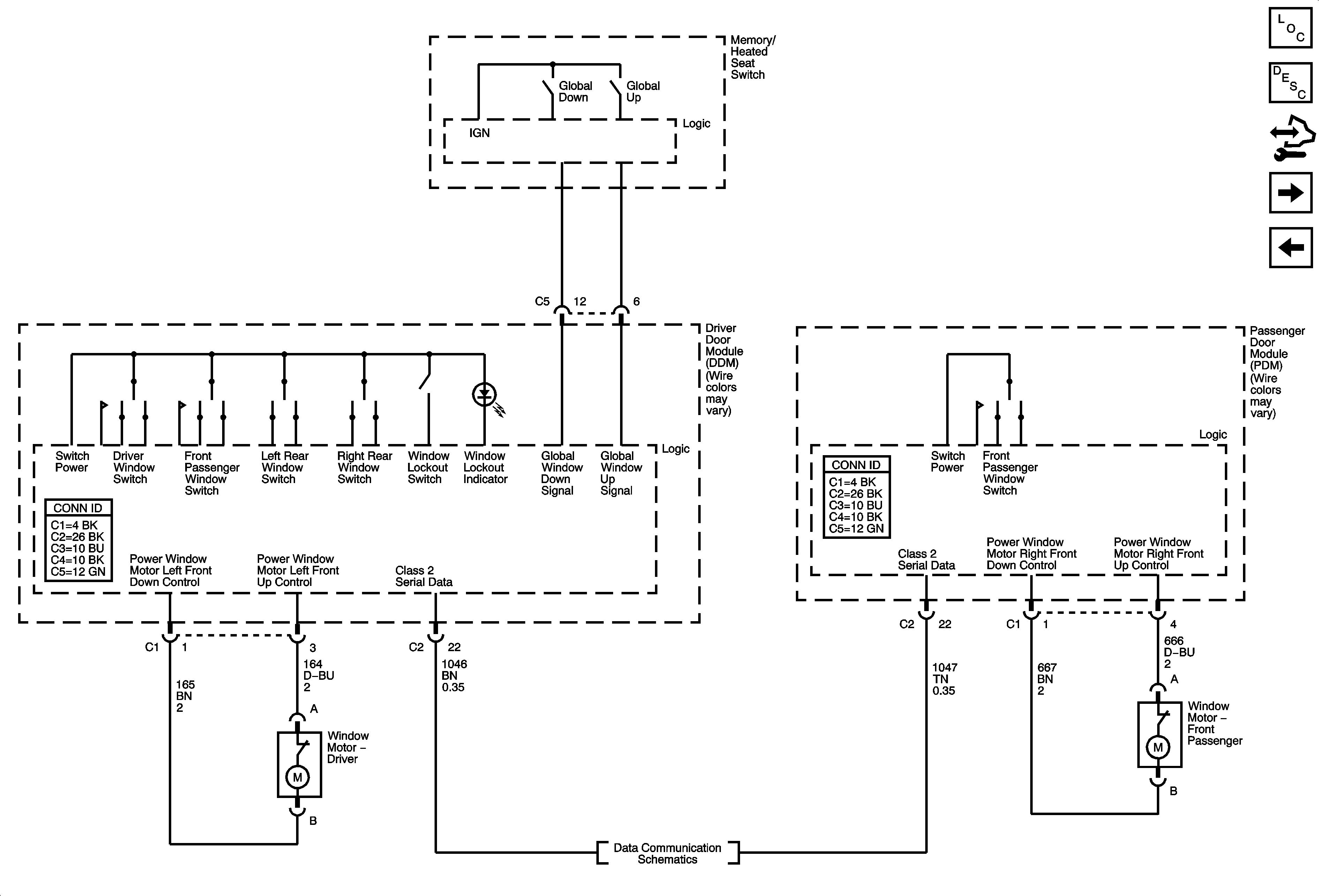
🢒 Front Door Windows
Front Door Windows
Front Door Windows
Master Electrical Component List
Power Windows Description and Operation
Control Module References
Rear Door Windows
Power, Ground, and Serial Data
Power, Ground, DLC and Splice Pack SP205