GM Service Manual Online
For 1990-2009 cars only
Makes
🢒
HUMMER
🢒
2007
🢒
H2
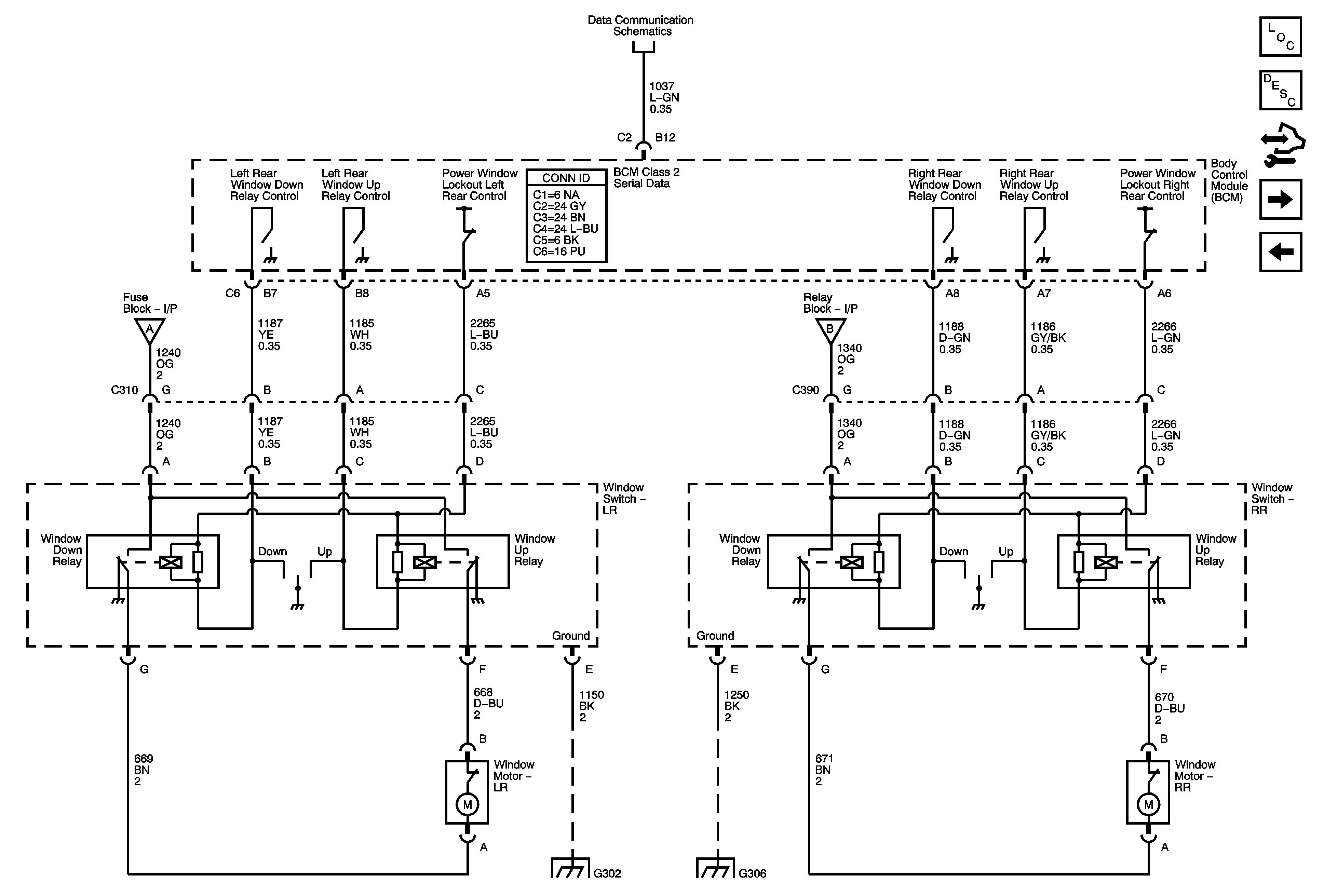
🢒 Rear Door Windows
Rear Door Windows
Rear Door Windows
Master Electrical Component List
Power Windows Description and Operation
Control Module References
Midgate Window
Front Door Windows
Power, Ground, DLC and Splice Pack SP205
Power, Ground, and Serial Data
Power, Ground, and Serial Data
G302, G304, and G306