GM Service Manual Online
For 1990-2009 cars only
Makes
🢒
HUMMER
🢒
2007
🢒
H2
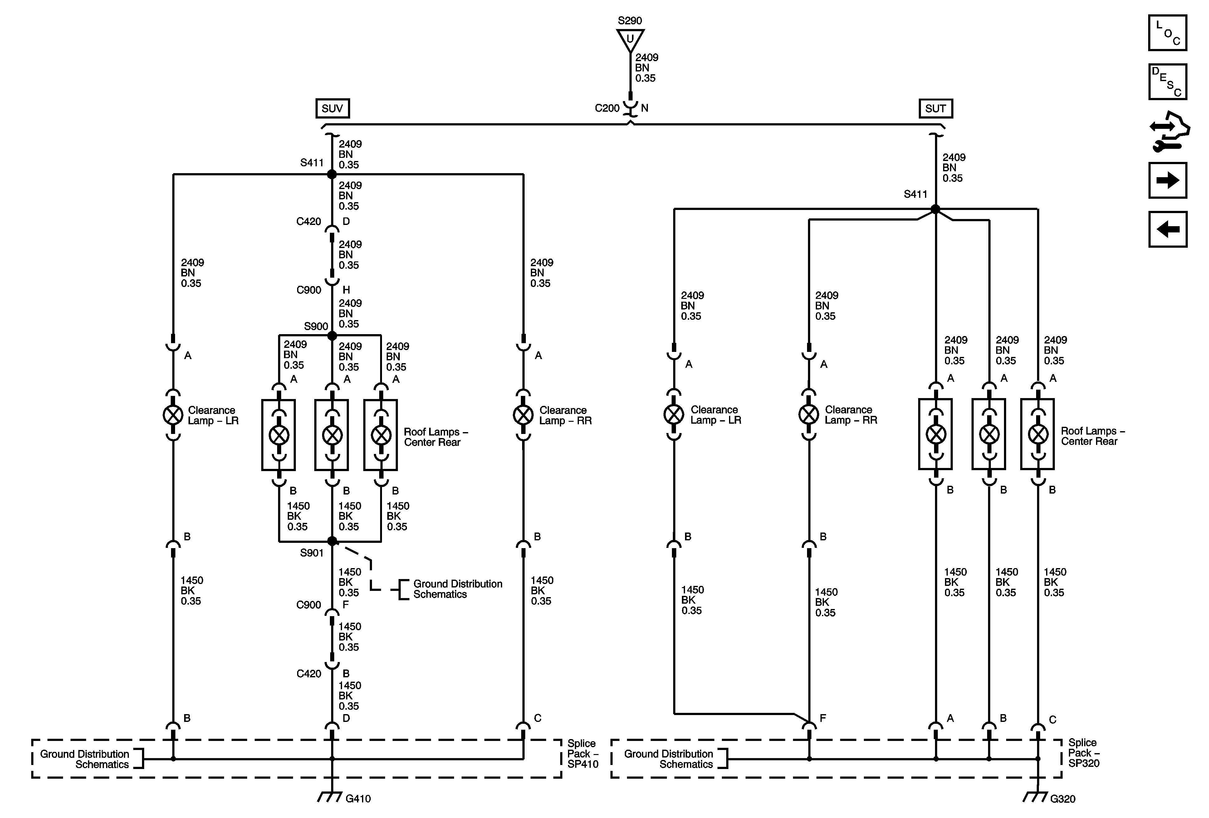
🢒 Roof Lamps - Rear
Roof Lamps - Rear
Roof Lamps -- Rear
Master Electrical Component List
Exterior Lighting Systems Description and Operation
Control Module References
Turn Signal/Hazard Switch and Flasher Module
Roof Lamps - Front
Roof Lamps - Front
G402, G405, and G410
G320 - SUT