GM Service Manual Online
For 1990-2009 cars only
Makes
🢒
HUMMER
🢒
2007
🢒
H2
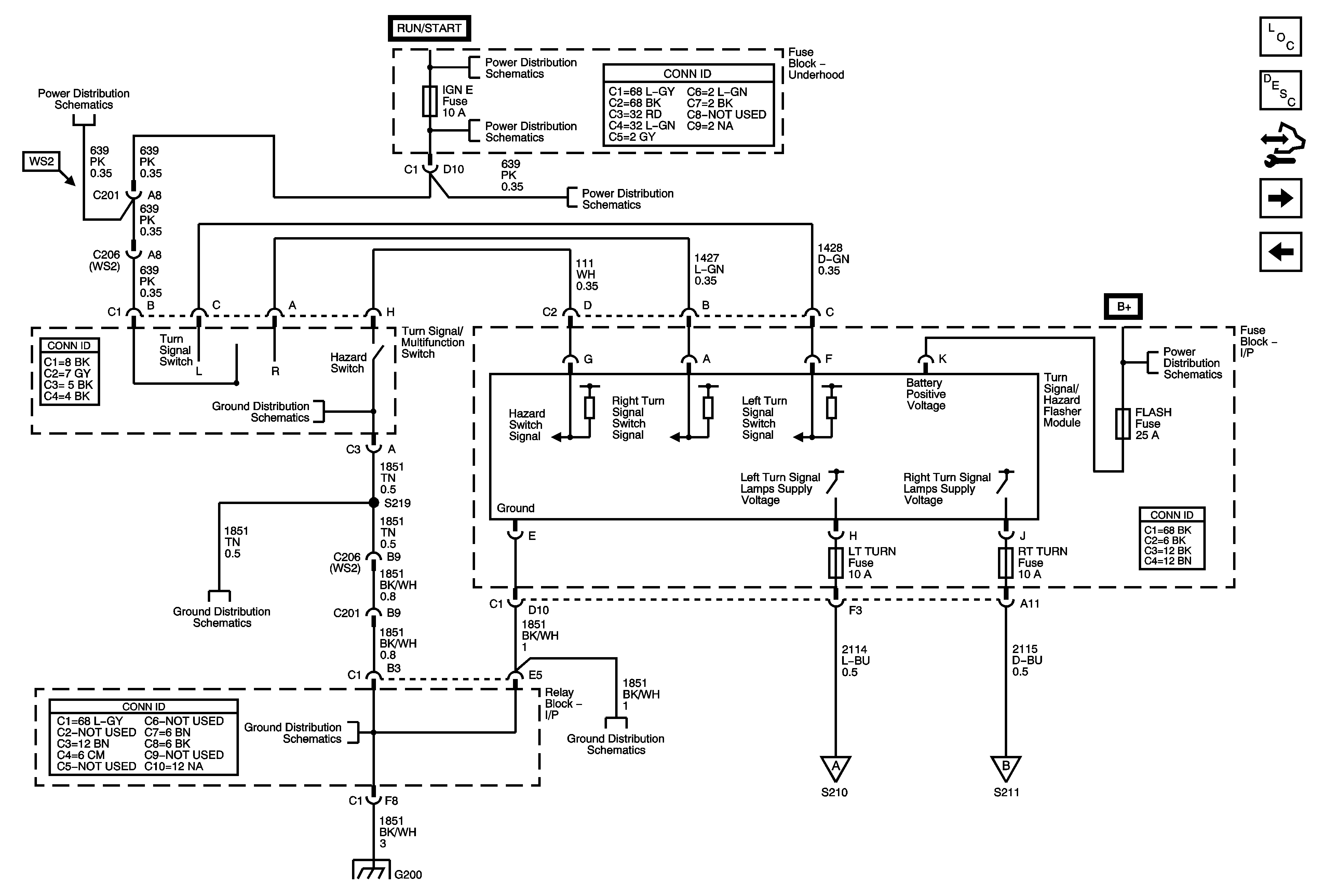
🢒 Turn Signal/Hazard Switch and Flasher Module
Turn Signal/Hazard Switch and Flasher Module
Turn Signal/Hazard Switch and Flasher Module
Master Electrical Component List
Exterior Lighting Systems Description and Operation
Control Module References
07 H2 Exterior Lights Schematics - Marker Lamps and Front Turn Signal Lamps
Roof Lamps - Rear
IGN E, SEO IGN, and SIR Fuses
Ignition Switch - ACCY/RUN and RUN/START Bus Bars, and IGN B Fuse
IGN E, SEO IGN, and SIR Fuses
IGN E, SEO IGN, and SIR Fuses
DDM, INFO, LBEC1, LBEC2, LGATE, LOCKS, PDM, TBC 2A, TBC 2B, and TBC 2C Fuses and LEFT DOOR and MIDGATE Circuit Breakers
07 H2 Exterior Lights Schematics - Marker Lamps and Front Turn Signal Lamps
G200
G200
G200
G200
G200