GM Service Manual Online
For 1990-2009 cars only
Makes
🢒
HUMMER
🢒
2007
🢒
H2
🢒 Theft Deterrent Schematics
Theft Deterrent Schematics
Content Theft Deterrent
Master Electrical Component List
Content Theft Deterrent (CTD) Description and Operation
Control Module References
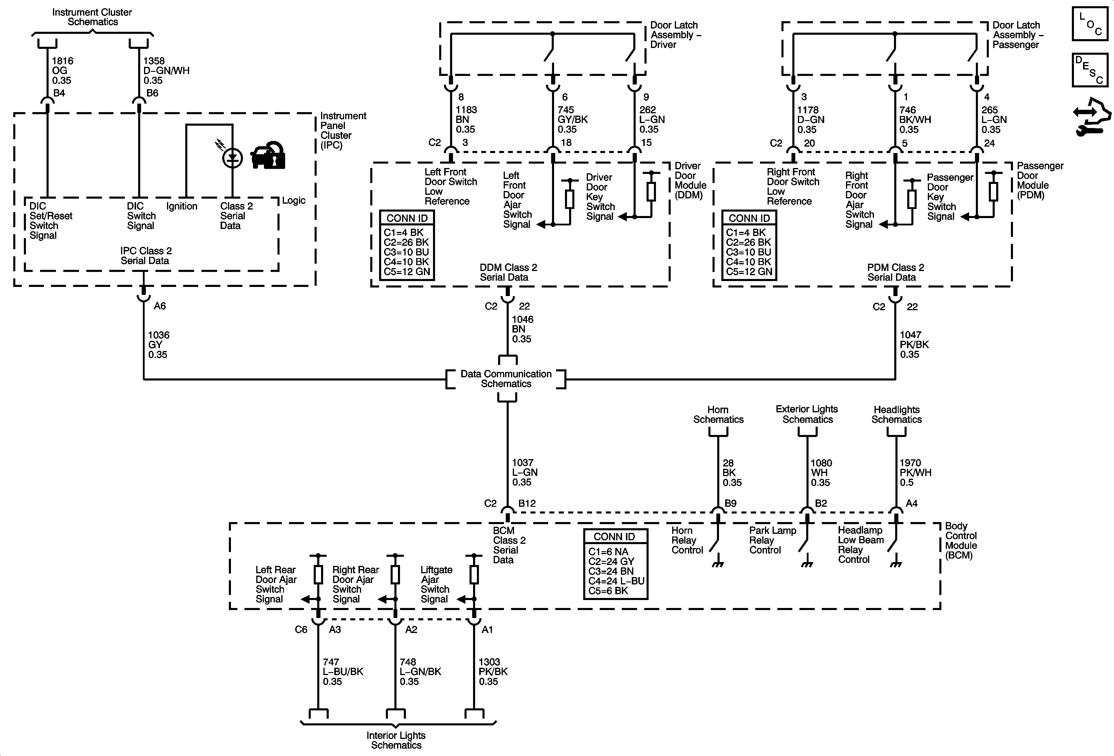
Power, Ground, Serial Data, and Driver Information
Power, Ground, DLC and Splice Pack SP205
Horn Schematics
Park Lamp Relay, Front Park, and Marker Lamps
Headlamp Control
Interior Lights Controls, BCM, and Door Ajar Switches