GM Service Manual Online
For 1990-2009 cars only
Makes
🢒
HUMMER
🢒
2007
🢒
H2
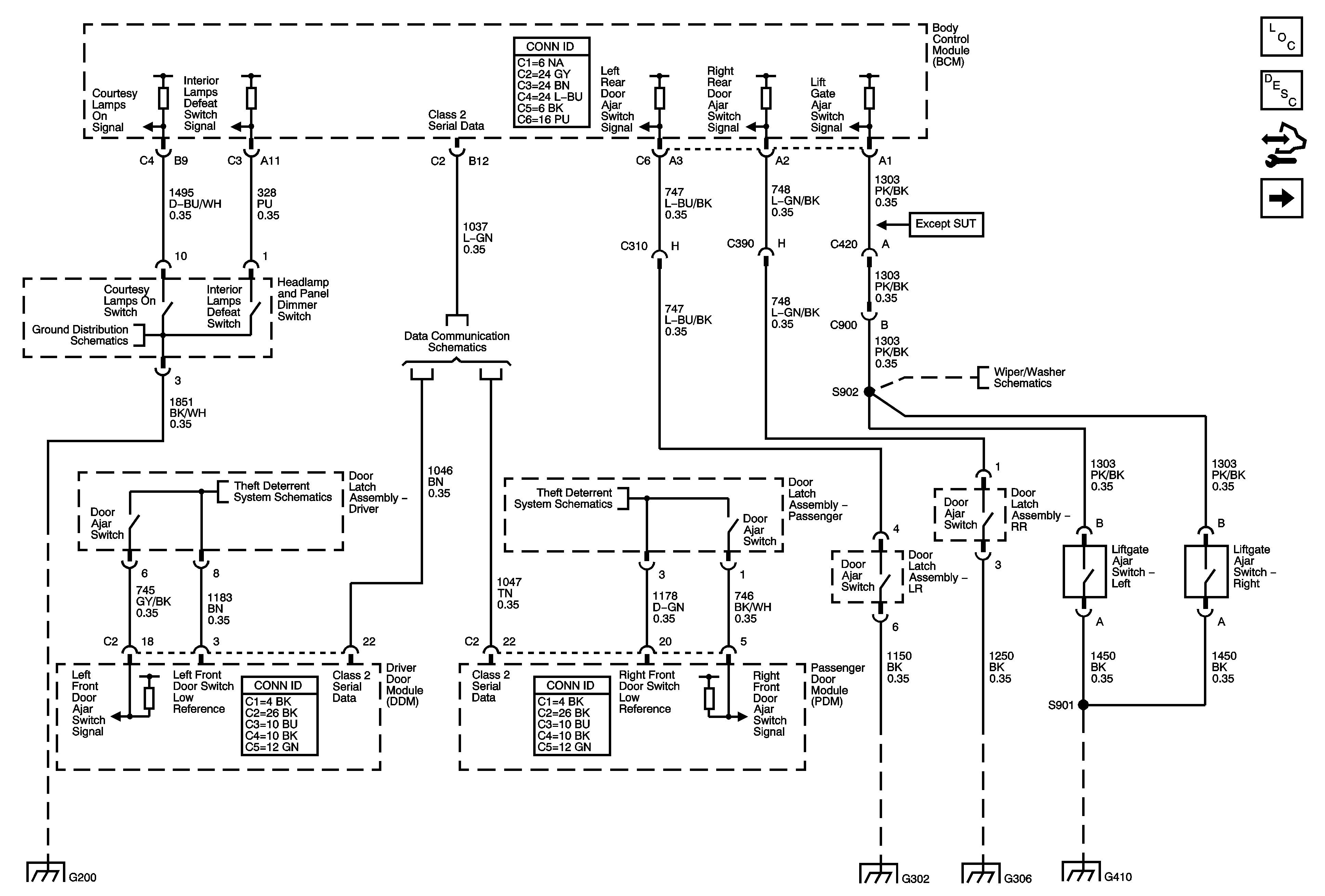
🢒 Interior Lights Controls, BCM, and Door Ajar Switches
Interior Lights Controls, BCM, and Door Ajar Switches
Interior Light Controls, BCM, and Door Ajar Switches
Master Electrical Component List
Interior Lighting Systems Description and Operation
Control Module References
Courtesy Lamps - Rear Doors and B-Pillars
Power, Ground, DLC and Splice Pack SP205
Rear Wiper/Washer Controls and Washer Fluid Level Sensor
G402, G405, and G410
G302, G304, and G306
Theft Deterrent Schematics
Theft Deterrent Schematics
G200