GM Service Manual Online
For 1990-2009 cars only
Makes
🢒
HUMMER
🢒
2007
🢒
H2
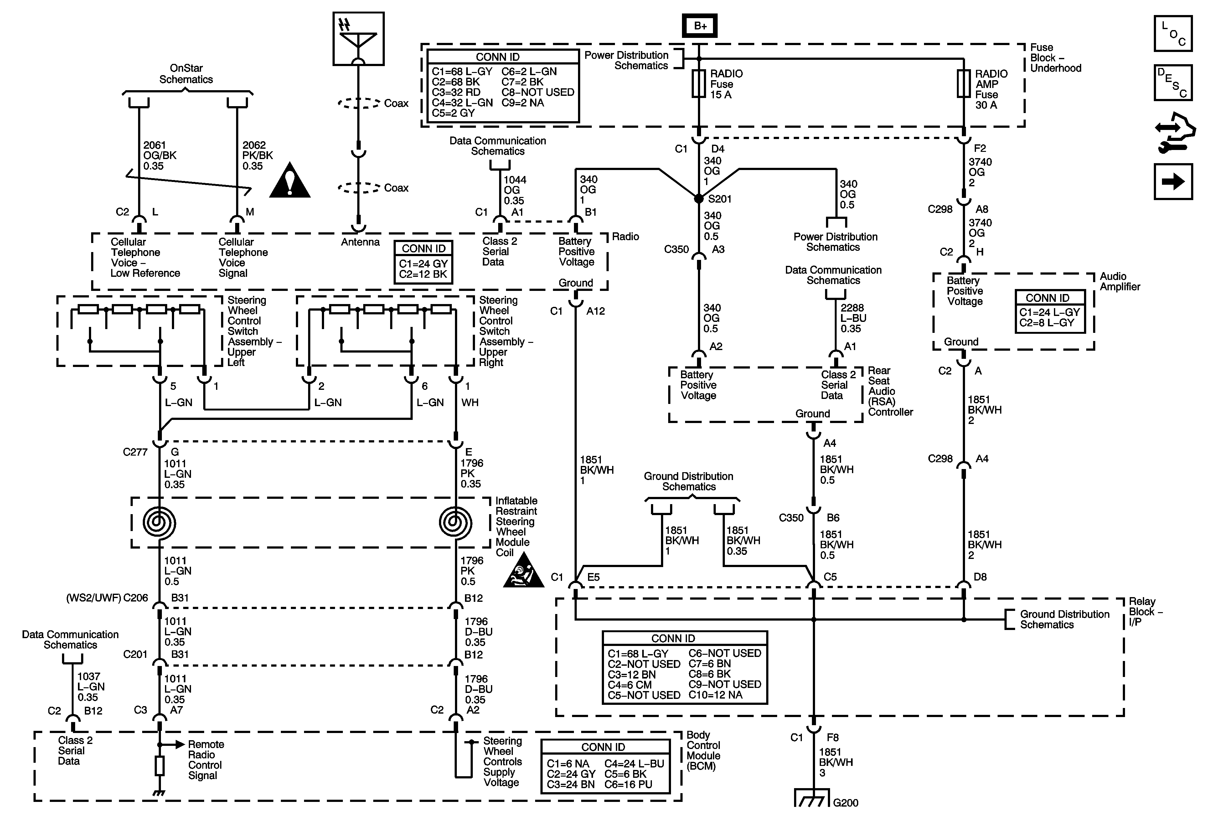
🢒 Power, Ground, Serial Data, and Steering Wheel Controls
Power, Ground, Serial Data, and Steering Wheel Controls
Power, Ground, Serial Data, and Steering Wheel Controls
Master Electrical Component List
Radio/Audio System Description and Operation
Control Module References
Radio/Audio Outputs and VSS Input
OnStar Schematics
Entertainment/Communication Schematic Icons
Power, Ground, DLC and Splice Pack SP205
B+ Bus
AUX PWR, CIG LTR, RADIO, RADIO AMP, and SUNROOF Fuses
SP206 and SP207
G200
G200
G200
Entertainment/Communication Schematic Icons
Power, Ground, DLC and Splice Pack SP205