GM Service Manual Online
For 1990-2009 cars only

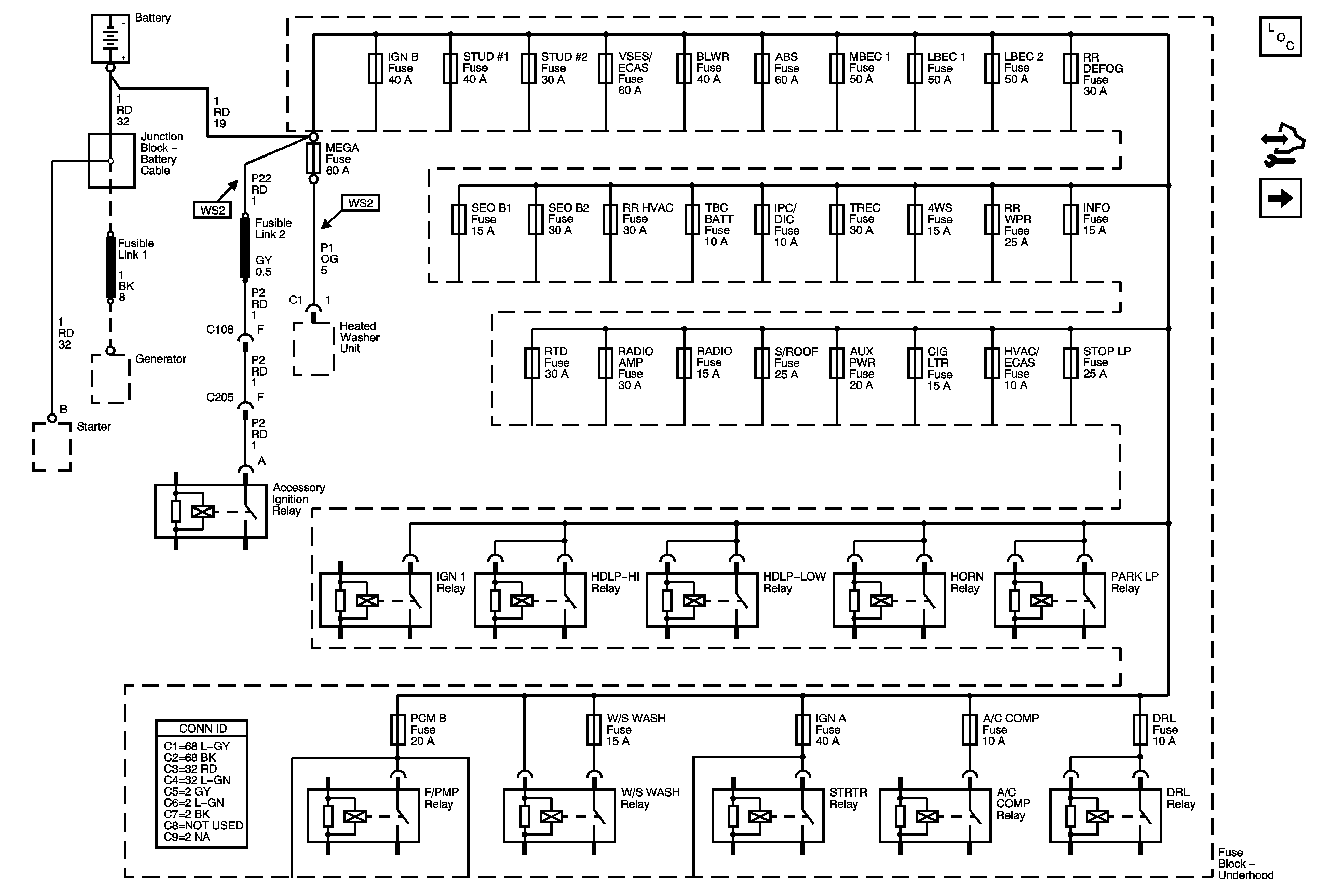
B+ Bus

B+ Bus


Object Number: 1807465  Size: FS
Master Electrical Component List
Control Module References
ABS, BLOWER, MBEC, STUD 1, STUD2, and VESE/ECAS Fuses and RT DOORS and SEATS Circuit Breakers