GM Service Manual Online
For 1990-2009 cars only
Makes
🢒
HUMMER
🢒
2007
🢒
H2
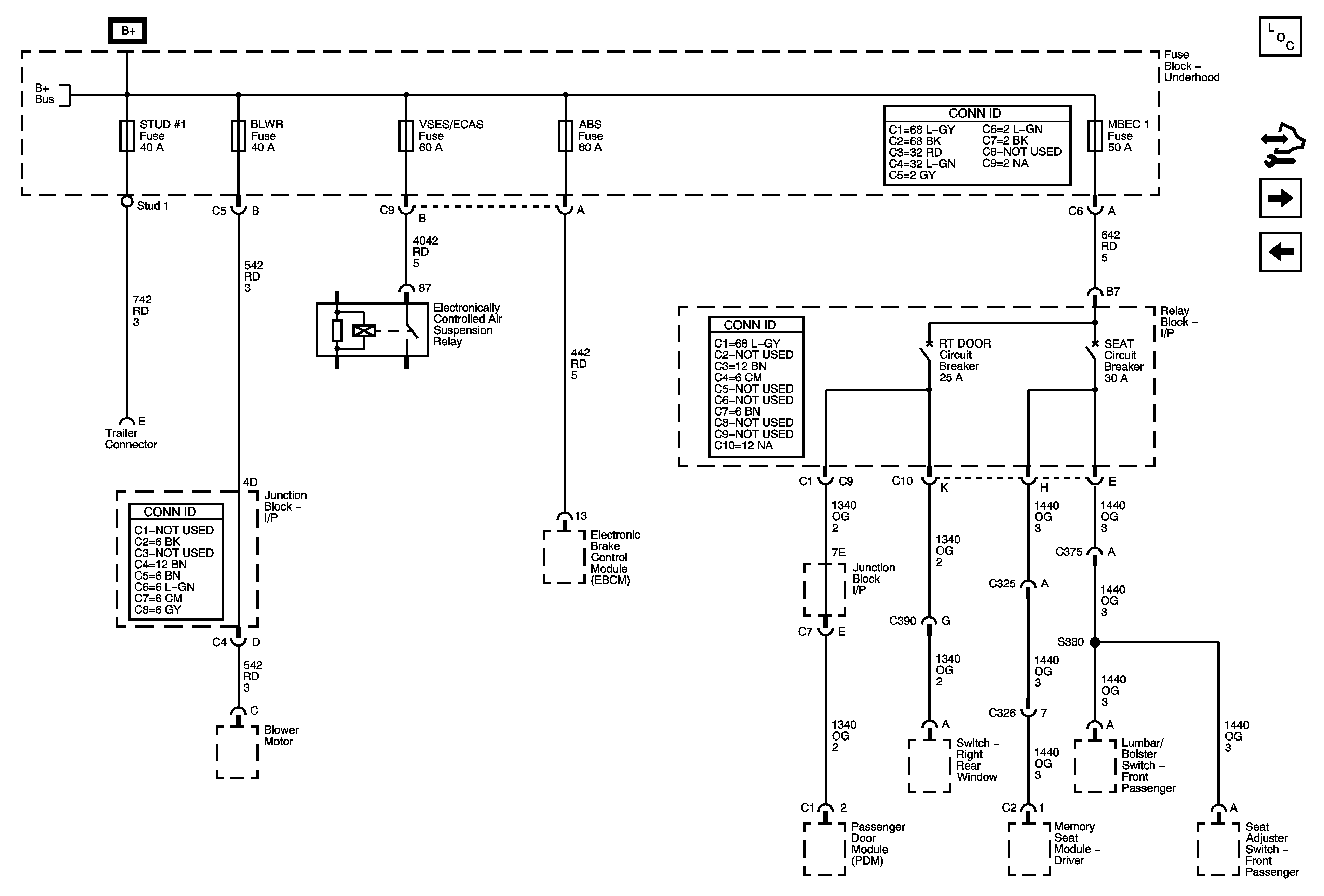
🢒 ABS, BLOWER, MBEC, STUD 1, STUD2, and VESE/ECAS Fuses and RT DOORS and SEATS Circuit Breakers
ABS, BLOWER, MBEC, STUD 1, STUD2, and VESE/ECAS Fuses and RT DOORS and SEATS Circuit Breakers
ABS, BLOWER, MBEC, STUD 1, STUD 2, and VSES/ECAS Fuses and RT DOORS and SEATS Circuit Breakers
Master Electrical Component List
Control Module References
Stud #2, Off Road Lamp Switch, Off Road Lamps 1, Off Road Lamps 2 Fuses
B+ Bus
B+ Bus