GM Service Manual Online
For 1990-2009 cars only
Makes
🢒
HUMMER
🢒
2007
🢒
H2
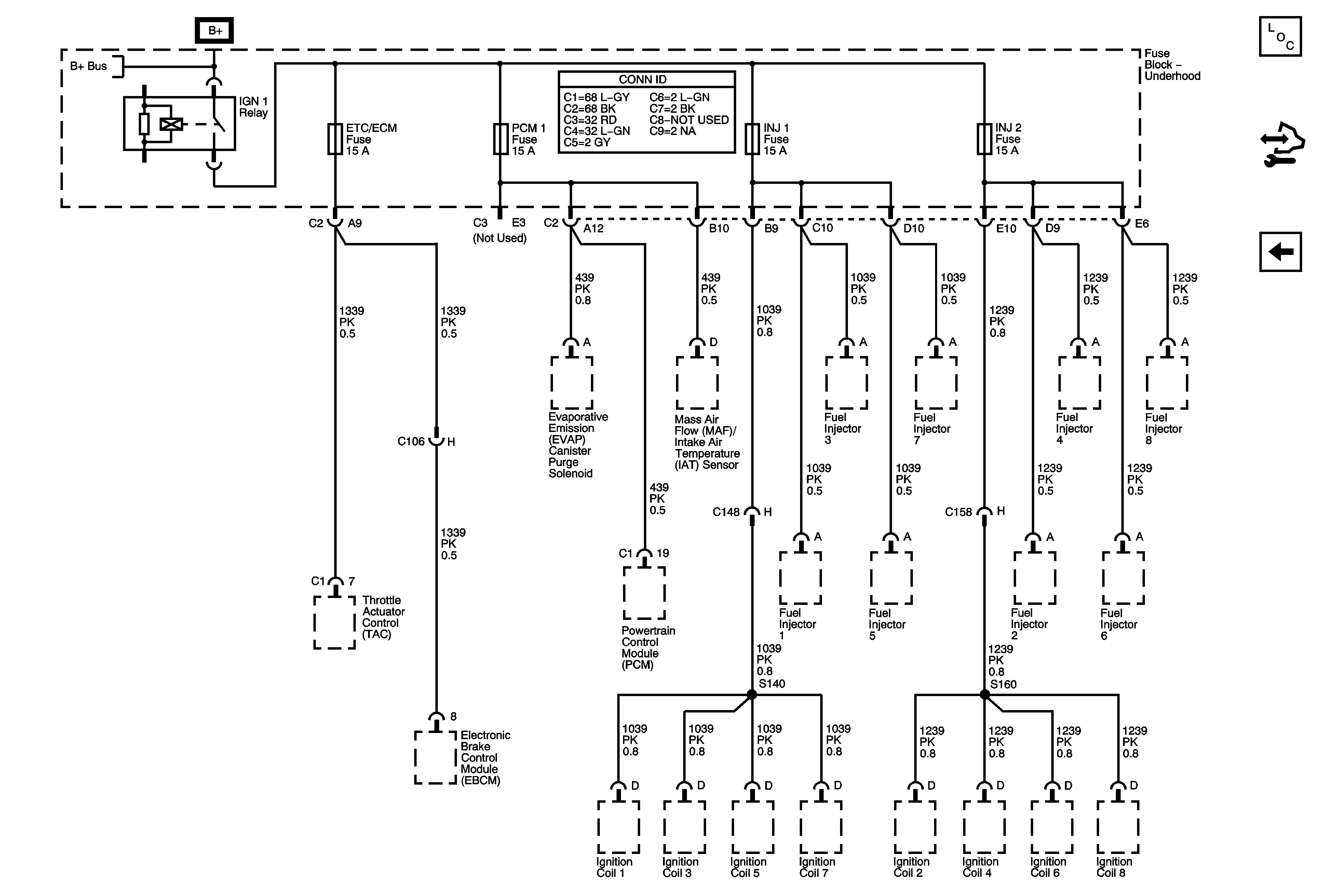
🢒 ETC/ECM, INJ 1, INJ 2, and PCM 1 Fuses
ETC/ECM, INJ 1, INJ 2, and PCM 1 Fuses
ETC/ECM, INJ 1, INJ 2, and PCM 1 Fuses
Master Electrical Component List
Control Module References
HI HDLP LT, HI HDLP RT, LO HDLP LT, and LO HDLP RT Fuses
B+ Bus