GM Service Manual Online
For 1990-2009 cars only
Makes
🢒
HUMMER
🢒
2006
🢒
H3
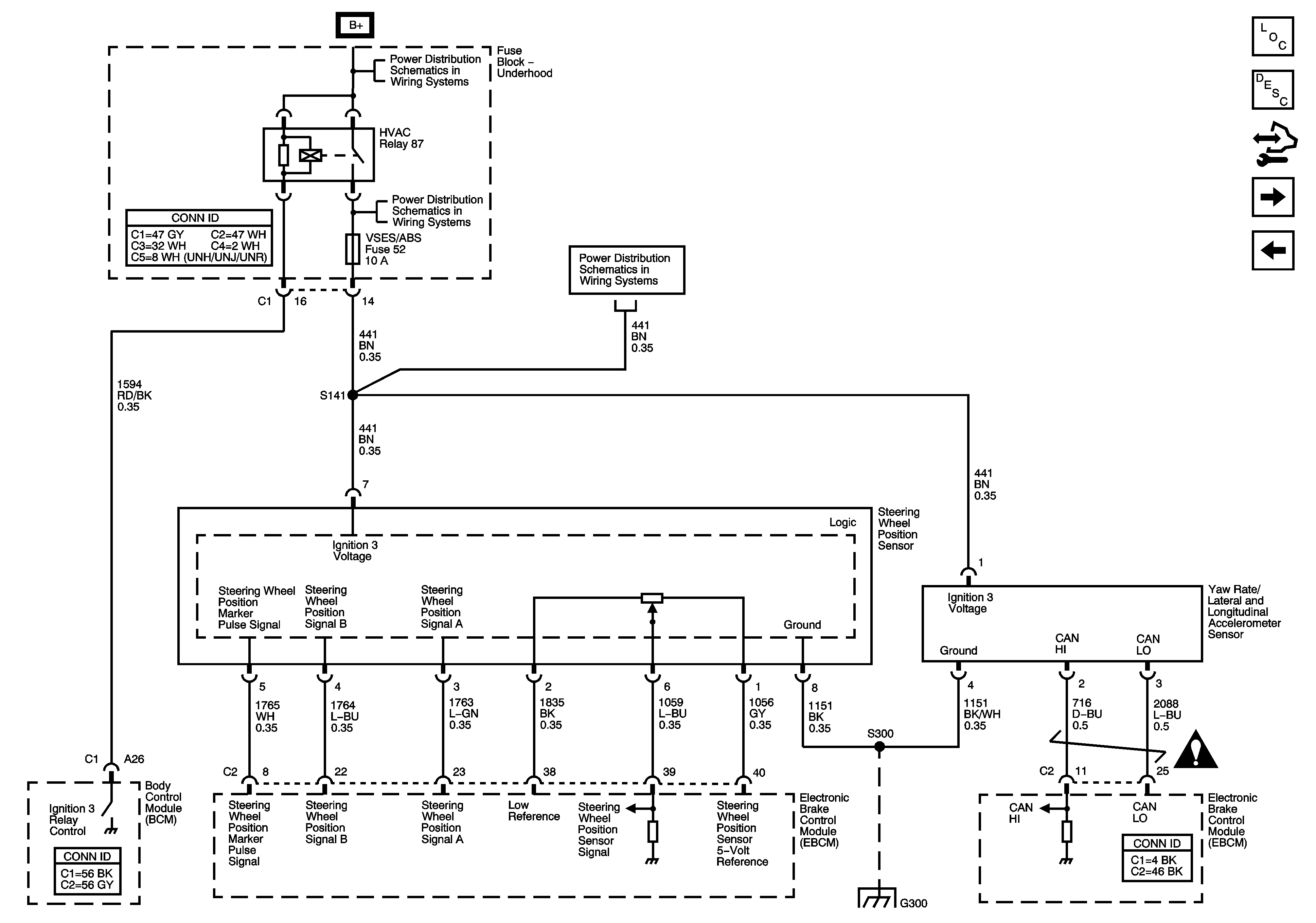
🢒 Steering Wheel Position Sensor and Yaw Rate/Lateral and Longitudinal Accelerometer Sensor w/JL4
Steering Wheel Position Sensor and Yaw Rate/Lateral and Longitudinal Accelerometer Sensor w/JL4
Steering Wheel Position Sensor and Yaw Rate/Lateral and Longitudinal Accelerometer Sensor w/JL4
Master Electrical Component List
ABS Description and Operation
Control Module References
Indicator Lamps and Traction Control Switch
Wheel Speed Sensors
B+ Bus - Underhood Fuse Block - 1 of 2
HVAC BLWR, HVAC CNTRL HD, PWR HTR SWTCH, TCCM SWTCH, and VSES/ABS Fuses
HVAC BLWR, HVAC CNTRL HD, PWR HTR SWTCH, TCCM SWTCH, and VSES/ABS Fuses
Antilock Brake System Schematic Icons
G300, G310, and G320