GM Service Manual Online
For 1990-2009 cars only
Makes
🢒
HUMMER
🢒
2006
🢒
H3
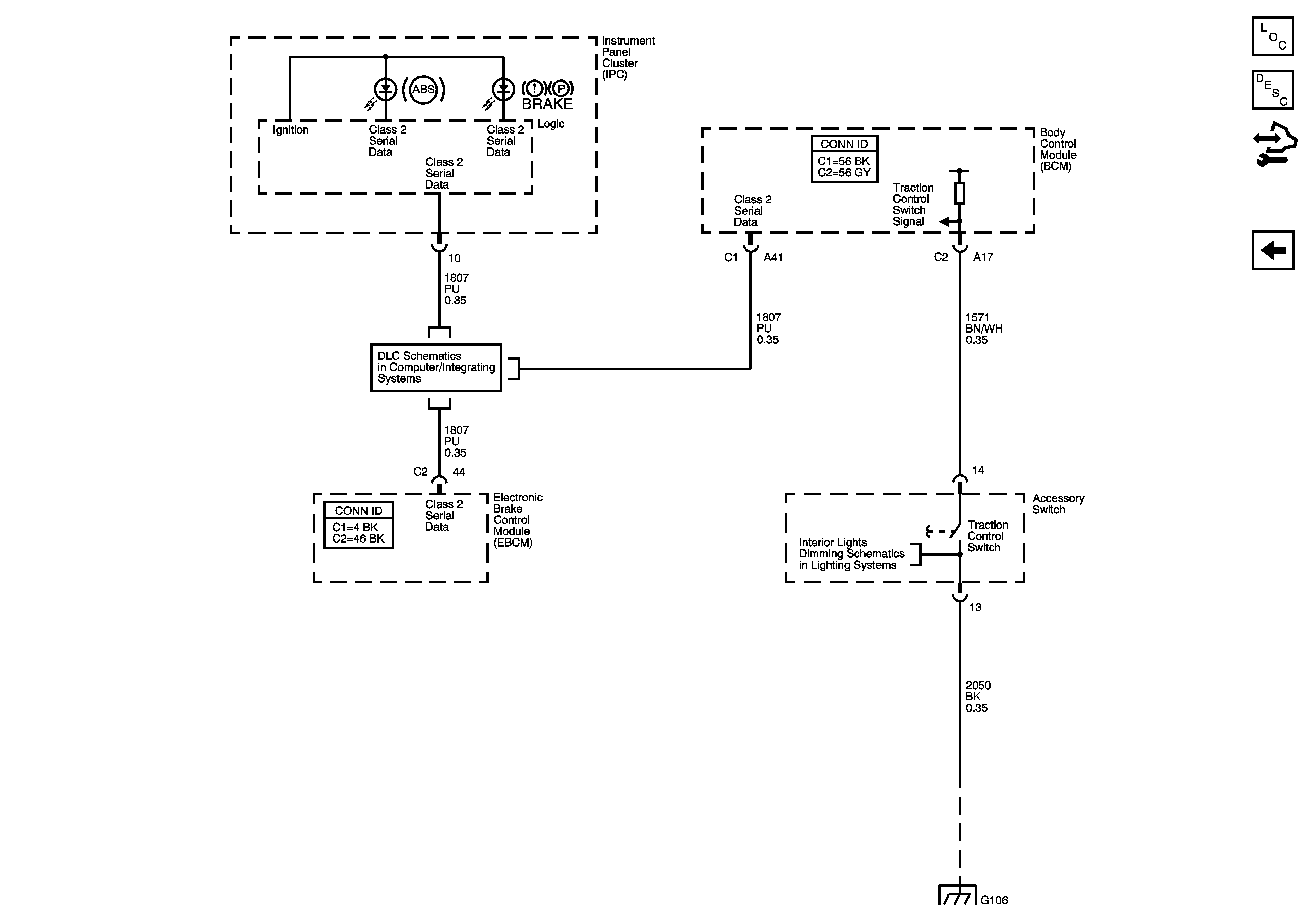
🢒 Indicator Lamps and Traction Control Switch
Indicator Lamps and Traction Control Switch
Indicator Lamps and Traction Control Switch
Master Electrical Component List
ABS Description and Operation
Control Module References
Steering Wheel Position Sensor and Yaw Rate/Lateral and Longitudinal Accelerometer Sensor w/JL4
Data Link Connector (DLC) Schematics
G106