GM Service Manual Online
For 1990-2009 cars only
Makes
🢒
HUMMER
🢒
2006
🢒
H3
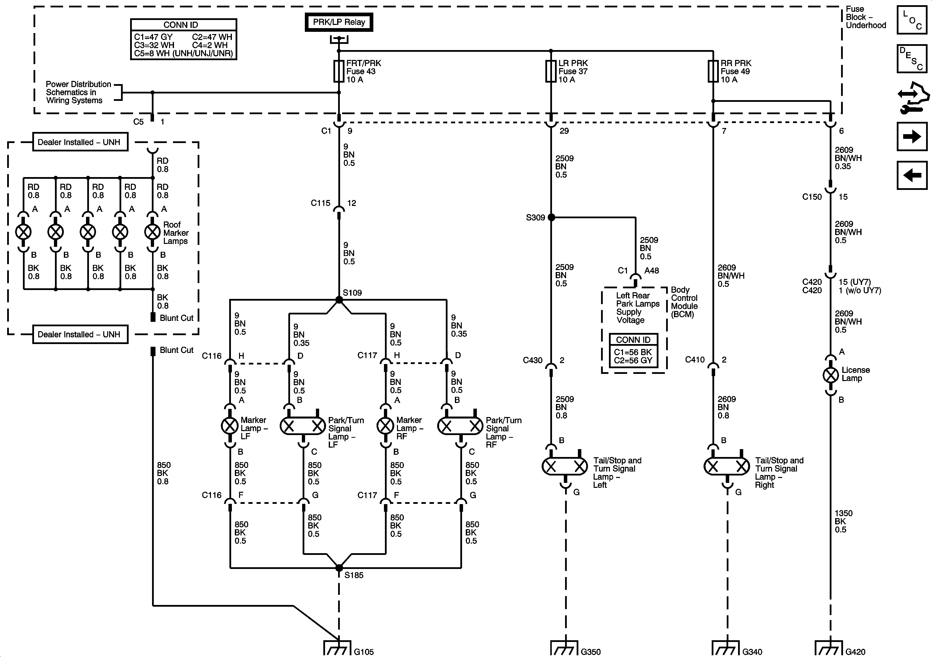
🢒 Roof Marker Lamps (UNH), License Lamp and Park Lamps
Roof Marker Lamps (UNH), License Lamp and Park Lamps
Roof Marker Lamps (UNH), License Lamp and Park Lamps
Master Electrical Component List
Exterior Lighting Systems Description and Operation
Control Module References
Turn Signal/Stop Lamps
Hazard Switch, Park Lamp Control, and Turn Signal/Stop Lamp Inputs
FRT/PRK, LR PRK, RR PRK, and TRLR Fuses
G105
G350
G340 and G345
G420